ТОРМОЗНЫЕ ЦИЛИНДРЫ
Тормозные цилиндры предназначены для передачи усилия сжатого воздуха, поступающего в них при торможении, тормозной рычажной передаче. В ТЦ происходит преобразование потенциальной энергии сжатого воздуха в механическое усилие на штоке поршня.
Конструктивно подавляющее большинство тормозных цилиндров имеют литой чугунный корпус, в котором расположены поршень со штоком и отпускная пружина. На подвижном составе применяются ТЦ с жестко закрепленным в поршне штоком, с самоустанавливающимся штоком, шарнирно соединенным с поршнем, и со встроенным автоматическим регулятором тормозной рычажной передачи.
Стандартный ТЦ усл.№ 188Б устанавливается на четырехосных грузовых вагонах, полувагонах, цистернах, платформах.
Тормозной цилиндр состоит из литого чугунного корпуса 14, передней крышки 8 с удлиненной горловиной и задней крышки 15, уплотненной резиновым кольцом. Задняя крышка крепится к корпусу большим количеством болтов, чем передняя, так как испытывает усилие сжатого воздуха до 4 тс, в то время, как передняя крышка нагружена только отпускной пружиной 5, имеющей предварительную затяжку 150 — 160 кгс.
На поршне 4 установлены резиновая манжета 1 и войлочное смазочное кольцо 2, удерживаемое в проточке поршня распорной пластинчатой пружиной 3. С поршнем жестко связана (посредством пальца 6) полая труба, являющаяся штоком 7. В горловине передней крышки расположены атмосферные каналы (Ат), в которых установлены сетчатые фильтры 9. Резиновая шайба 10, надетая на трубу штока, защищает внутреннюю полость ТЦ от пыли. В торец штока вставлена головка 13, в проточку которой входят винты 11, крепящие упорное кольцо 12 к штоку. Это упорное кольцо предназначено для снятия передней крышки в сборе с поршнем и отпускной пружиной.
На задней крышке имеются шпильки для крепления кронштейна мертвой точки и два резьбовых гнезда: одно для присоединения трубопровода для подвода сжатого воздуха, другое, заглушённое пробкой 16, — для установки манометра.
Тормозные цилиндры усл.№ 519Б имеют такое же конструктивное исполнение, что и ТЦ усл.№ 183Б. но больший внутренний диаметр корпуса — 16 дюймов вместо 14, и устанавливаются на шести- и восьмиосных вагонах.
Тормозной цилиндр усл.№ 502Б имеет самоустанавливающийся шток 7, шарнирно связанный с поршнем 4, и помещенный в направляющую трубу 17. Головка 13 штока закреплена не на трубе, как у ТЦ усл.№ 188Б, а на штоке 7. Зазор между штоком и стенками трубы позволяет головке 13 при торможении двигаться по дуге. Тормозные цилиндры с самоустанавливающимся штоком применяются на локомотивах.
Тормозные цилиндры усл.№ 501Б используются на пассажирских вагонах и на головных и прицепных вагонах электропоездов ЭР-2 и ЭР-9 и имеют на задней крышке фланец для крепления воздухораспределителя.
На некоторых видах подвижного состава, в частности на части тепловозов ТЭП-70. используются тормозные цилиндры ТЦР-3 со встроенным авторегулятором выхода штока.
Тормозной цилиндр ТЦР-3 состоит из корпуса 15 с приварным дном 17 и привалочного фланца 4. Внутри корпуса помещен стакан 1 регулятора, на который воздействует усилие возвратной пружины 2. Поршень 16 с резиновой манжетой и смазочным кольцом вставлен своей направляющей частью в стакан 1. Шток 6 поршня имеет несамотормозящую резьбу, на которую навернуты регулировочная 13 и вспомогательная 11 гайки. На цилиндрической части гаек 11 и 13 стопорными кольцами закреплены упорные шарикоподшипники 5 и 18. Коническая часть гаек 11 и 13 прижимается пружинами, действующими через шарикоподшипники. к конусным
втулкам 8 и 3. Стакан регулятора закрыт резьбовой крышкой 10, имеющей с внутренней стороны коническую фрикционную поверхность, через которую стакан опирается на вспомогательную гайку 11.
В горловину передней крышки ТЦ ввернуты упорные болты 7 и 12. Болт 12 после отвертывания может перемещаться в продольном направлении и устанавливаться на выбранном расстоянии «А» от кольцевой поверхности конусной втулки 8. Это расстояние определяет величину хода штока ТЦ, которая будет автоматически поддерживаться регулятором. Иными словами, это расстояние соответствует нормальному зазору между колодкой и колесом при неизношенных колодках. На горловину крышки надет защитный чехол 9.
При торможении поршень и стакан перемещаются вправо и усилие от поршня ТЦ передается на шток 6 через конусную втулку 3 и регулировочную гайку 13. Если выход штока ТЦ меньше или равен установленному расстоянию «А», то как при торможении, так и при отпуске сохраняется неизменным относительное положение стакана 1 регулятора и штока 6 ТЦ. При выходе штока ТЦ большем, чем расстояние «А», кольцевая поверхность конусной втулки 5 упирается в хвостовик болта 12, и после дальнейшего выхода штока происходит вращение вспомогательной гайки 11, которая свинчивается по штоку, оставаясь в соприкосновении с конической фрикционной поверхностью конусной втулки 8. При отпуске тормоза стакан 1 вместе с поршнем ТЦ перемещается пружиной 2 в исходное положение (влево), втулка 8 доходит до упора в хвостовик болта 7 и дальнейшее движение штока в отпускное положение прекращается. При последующем движении стакана под действием возвратной пружины до упора крышки 10 во вспомогательную гайку 11, происходит свинчивание со штока регулировочной гайки 13, сохраняющей под действием пружины 14 контакт с конусной втулкой 3.
Читайте также: 93186943 клапан обратный давление масла блок цилиндров
Таким образом, поддержание стабильного хода штока ТЦ обеспечивается соответствующим выходом штока из стакана в исходном положении.
На штоке поршня ТЦ пассажирских вагонов, оборудованных композиционными колодками, устанавливается и закрепляется специальный хомут длиной 70 мм. Таким образом, при отпуске поршень не доходит до исходного положения (до задней крышки) на длину хомута, увеличивая объем «вредного» пространства ТЦ примерно на 7 л. Следовательно, при полном выходе штока ТЦ 130 — 160 мм при полном служебном торможении перемещение поршня составит 60 — 90 мм. Этим обеспечивается рабочий объем ТЦ такой же, как и при чугунных колодках, а также нормальный зазор между колодками и колесом в отпущенном состоянии тормоза.
Выход штока ТЦ является важным эксплуатационным показателем состояния тормоза.
Для каждого типа подвижного состава нормы верхнего и нижнего пределов выхода штока, а также величина максимально допустимого выхода штока ТЦ в эксплуатации устанавливается специальными инструкциями МПС. При увеличенном выходе штока увеличивается рабочий объем ТЦ и, следовательно, уменьшается давление в ТЦ и замедляется его наполнение, что в конечном итоге ведет к снижению эффективности тормозов. При малом выходе штока возможно заклинивание колесных пар из-за повышения давления в ТЦ, а в зимнее время — и из-за примерзания колодок к колесам после стоянки, вследствие уменьшения расстояния между колодкой и колесом.
Инструкция по эксплуатации тормозов подвижного состава железных дорог ЦТ-ЦВ-ЦЛ-ВНИИЖТ/277 для электровозов и тепловозов (кроме тепловозов ТЭП-60 и ТЭП-70) устанавливает нормы нижнего и вехнего пределов выхода штока ТЦ 75 — 100 мм, а максимально допустимый в эксплуатации — 125 мм. Для грузовых вагонов с чугунными колодками при первой ступени торможения 40 — 100 мм, а максимально допустимый в эксплуатации — 175 мм; для грузовых вагонов с композиционными колодками соответственно 40 — 80 мм и 130 мм. Для пассажирских вагонов с чугунными и композиционными колодками при первой ступени торможения 80 — 120 мм, максимально допустимый в эксплуатации — 180 мм. (для пассажирских вагонов с композиционными колодками выход штока ТЦ указан с учетом длины хомута, установленного на штоке, а максимально допустимый выход штока ТЦ в эксплуатации для всех вагонов указан при отсутствии на вагоне авторегулятора рычажной передачи).
Другим важным эксплуатационным показателем, оказывающим влияние на эффективность работы тормоза, является плотность ТЦ. При давлении сжатого воздуха в ТЦ не менее 3,5 кгс/см2 падение давление в ТЦ допускается не более 0,2 кгс/см2 за 1 мин.
Для проверки плотности ТЦ необходимо:
- на локомотивах с блокировкой тормозов усл.№ 367 разрядить ТМ экстренным торможением до 0, перевести КВТ в VI положение, наполнив ТЦ до полного давления, и выключить блокировку. По манометру ТЦ следить за падением давления;
- на локомотивах, не оборудованных устройством блокировки тормозов усл.№ 367, разрядить ТМ до 0 экстренным торможением, перевести КВТ в VI положение, наполнив ТЦ до полного давления, и перекрыть разобщительный кран на трубопроводе от КВТ к ТЦ. По манометру ТЦ следить за падением давления;
- на электровозах ЧС разрядить ТМ до 0 экстренным торможением, наполнив ТЦ до полного давления. По манометру ТЦ следить за падением давления. КВТ остается в поездном положении, разобщительный кран на трубопроводе от КВТ к ТЦ не перекрывается.
Анимация (мультик) по схемам прямодействующего, непрямодействующего тормоза и ЭПТ. Для скачивания проги кликните по картинке
Отличное пособие по новому воздухораспределителю пассажирских вагонов № 242.
С анимацией и дикторским сопровождением. Для скачивания PDF кликните по картике
Вагонник.РФ
среда, 18 января 2017 г.
Расположение и назначение тормозного оборудования на подвижном составе
- пневматическое — это приборы, работающие под давление сжатого воздуха;
- механическое — это тормозная рычажная передача.
- компрессор — предназначен для получения сжатого воздуха;
- главные резервуары — предназначены для хранения запаса сжатого воздуха;
- регулятор давления — предназначен для автоматического управления работой компрессора в зависимости от изменения давления в главных резервуарах;
- предохранительные клапаны — предназначены для выпуска избытка воздуха из главных резервуаров в случае превышения установленного давления;
- обратные клапаны — предназначены для разгрузки клапанов компрессора во время его остановки от действия давления сжатого воздуха из главных резервуаров.
- кран машиниста — основной прибор, предназначен для управления пневматическими тормозами подвижного состава. От крана машиниста в значительной степени зависит надежность действия тормозов в поезде;
- кран вспомогательного тормоза — предназначен для управления только тормозом локомотива;
- кран двойной тяги (разобщительный);
- комбинированный кран — предназначен для включения (отключения) тормозной магистрали состава;
- манометры.
3 группа — приборы торможения:
Имеются у каждой единицы подвижного состава. К ним относятся: Воздухораспределитель — предназначенный для автоматического распределения сжатого воздуха между тормозной магистралью, запасным резервуаром и тормозным цилиндром
Читайте также: Свадебная шляпа цилиндр своими руками
- на груженый режим при загрузке вагона более 6 тс на ось,
- на средний режим при загрузке от 3 до 6 тс на ось (включительно),
- на порожний — менее 3тс на ось.
- на порожний режим при загрузке на ось до 6 тс включительно,
- на средний — при загрузке на ось более 6 тс.
- при чугунных колодках — на груженый режим,
- при композиционных колодках — на средний режим или на груженый в случаях, перечисленных выше. Включение на этих вагонах воздухораспределителей на порожний режим запрещено.
- автотормоза всех вагонов с чугунными колодками, в том числе грузовых вагонов со служебным отделением в 5-ти вагонной секции, включаются в порожнем состоянии на порожний режим,
- при загрузке до 6 тс на ось (включительно) на средний режим,
- при загрузке более 6 тс на ось — на груженый режим торможения.
- на грузовых рефрижераторных вагонах — на порожний режим при загрузке вагона до 6 тс на ось включительно, на средний — при загрузке более 6 тс на ось, на груженый — по отдельному указанию ОАО «РЖД» или в соответствии с приказом начальника дороги;
- на служебных, дизельных и машинных вагонах, в том числе на вагонах с дизельным отделением 5-ти вагонной секции — на средний режим с закреплением переключателя.
- если верхняя плоскость клина амортизатора выше торца фрикционной планки — вагон порожний;
- если они на одном уровне — загрузка вагона составляет 3-6 тс на ось.
- если верхняя плоскость клина, ниже торца фрикционной планки более 6 тс на ось.
![]() |
| Запасный резервуар модели Р7-78 имеет следующую техническую характеристику: Рабочее максимальное давление — 7 кгс/см2; Объем резервуара-78 литров; Присоединительный размер резьбы — 3/4 дюйма; Диаметр резервуара — 300 мм; Длина -1210 мм. |
ТОРМОЗНОЙ ЦИЛИНДР
Неисправности тормозных цилиндров:
- изгиб штока,
- разрыв и заворот воротника (манжеты),
- просадка или излом пружины,
- разрыв прокладки задней крышки,
- не плотность постановки заглушки, отсутствие пробки тормозного цилиндра,
- скопление влаги или льда в тормозном цилиндре и др.
Признаками таких неисправностей являются: отсутствие перемещения штока поршня при торможении и отпуске из-за наличия льда в цилиндре или при отпуске тормоза не возврат в первоначальное положение из-за просадки, излома пружины или изгиба штока, утечка воздуха со стороны задней крышки из-за прорыва прокладки или не плотности заглушки.
ОПИСАНИЕ ТОРМОЗНОЙ СИСТЕМЫ С РАЗДЕЛЬНЫМ ТОРМОЖЕНИЕМ ТЕЛЕЖЕК И НОВЫМ ТОРМОЗНЫМ ОБОРУДОВАНИЕМ.
Принципиальные схемы тормозных систем с раздельным торможением тележек с типовым и новым тормозным оборудованием для грузовых вагонов представлены на рисунках 1-7.
![]() |
| 1- воздухораспределитель; 2- тормозной цилиндр; 3- регулятор тормозных рычажных передач; 4-авторежим. Рисунок 1- Принципиальная схема тормозной системы с потележечным торможением и новым тормозным оборудованием для вагонов бункерного типа |
Рисунок 7- Принципиальные схемы тормозной системы с потележечным торможением и новым тормозным оборудованием для полувагонов, крытых и других типов вагонов
АВТОМАТИЧЕСКИЙ РЕГУЛЯТОР РЕЖИМОВ ТОРМОЖЕНИЯ № 265А -1, № 265А. (АВТОРЕЖИМ)
Авторежим предназначен для автоматического непрерывного регулирования давления в тормозном цилиндре в зависимости от загрузки вагона.
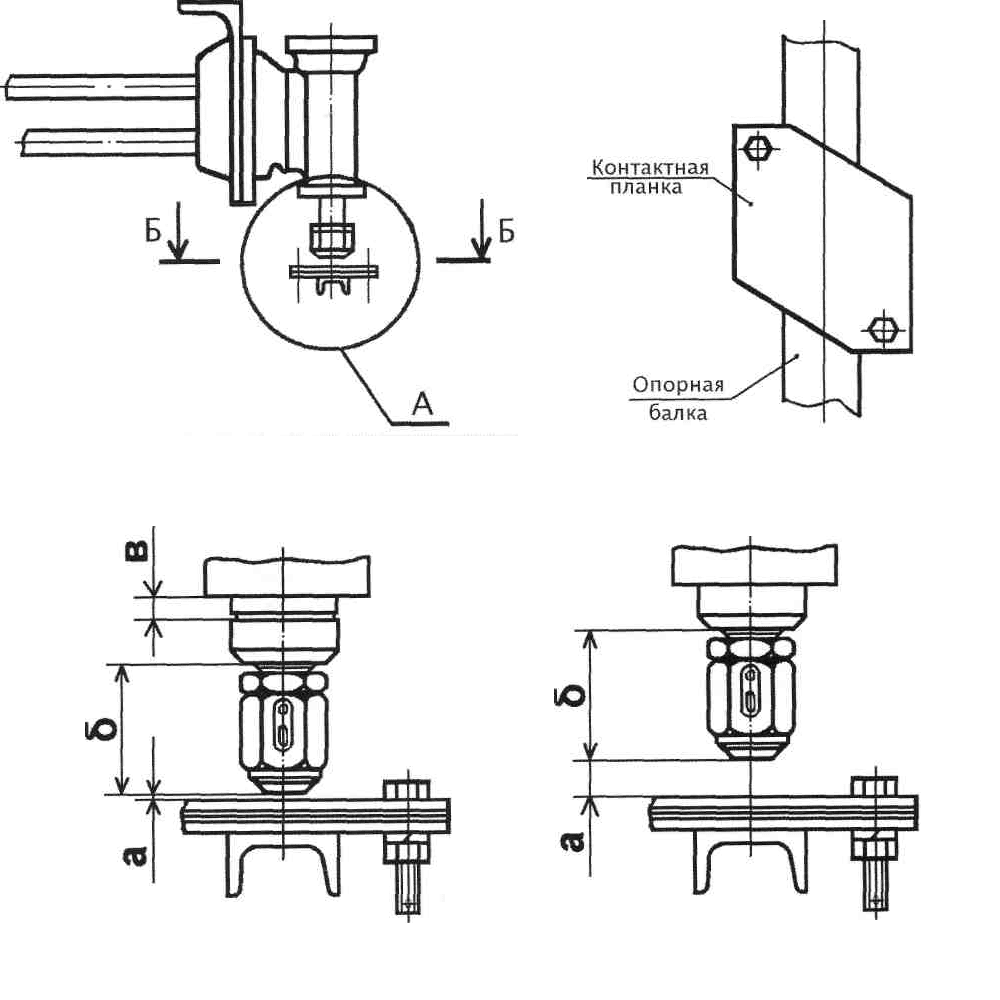
Кронштейн авторежима должен быть исправным и прочно закреплен к раме вагона. Авторежим должен крепиться к кронштейну над одной из тележек, оборудованной опорной балочкой. Крепление производится через резиновую прокладку болтами, гайками и контргайками, затянутыми в диагональной последовательности.
Приваривать регулировочные планки сверху контактной планки ЗАПРЕЩЕНО!
![]() |
| Авторежим в разрезе |
Зазор необходимо регулировать снятием или постановкой металлических регулировочных планок под контактную планку.
Регулировать размер «а», изменяя размер «б» с помощью гайки авторежима, зашплинтованной в АКП, запрещается.
Режимный валик воздухораспределителя должен быть закреплен на среднем или на груженом режиме в соответствии с требованиями Инструкции по эксплуатации тормозов подвижного состава железных дорог.
![]() |
| Авторежим установлен Авторежим не исправен и правильно — кольцевая установлен не правильно — проточка на вилке видна, кольцевая проточка на расстояние между упором вилке не видна, расстояние и контактной планкой не между упором и контакт- превышает 3 мм ной планкой более 3 мм |
Установка авторежима на вагоне с тарой до 27т.
![]() |
| Порожний вагон Груженый вагон Груженый вагон (тара до 27т.) (тара до 27т.) (тара до 27т.) Авторежим не исправен: Кольцевая проточка Б — видна Б – не видна Б — не видна. Зазор А — не более 3 мм. Зазор А имеется Зазора А — нет |
- если имеется пропуск воздуха в атмосферу при торможении,
- повышенное давление воздуха в тормозном цилиндре на порожнем режиме и пониженное на груженом режиме.
- если при частичной или полной загрузке вагона зазор между упором и контактной планкой остается, авторежим подлежит замене.
4 группа — воздухопровод и арматура тормоза:
соединительные рукава -3 предназначены для соединения магистрали между тормозными единицами поезда;
разобщительный кран — 4 предназначен для выключения отдельных тормозных приборов;
Подводящая трубка — 6 предназначена для соединения магистрального воздухопровода с воздухораспределителем, крепится к двухкамерному резервуару через муфтовое соединение.
Читайте также: Снегоход буран не работает правый цилиндр причины
![]() |
| Разобщительный кран, резинотекстильная подводящая магистральная трубка, главная часть воздухораспределителя |
тройник — 5 предназначен для соединения подводящей трубки от тормозной магистрали к двухкамерному резервуару (рабочей камере).
![]() |
| Тройник (излом подводящей трубки) |
На грузовых вагонах все пневматическое оборудование крепится жестко без деревянных прокладок, магистральный воздухопровод должен быть закреплен не менее чем в 7 местах (не считая крепление концевых кранов), включая обязательное его крепление на расстоянии от 280 до 300 мм. по обеим сторонам от контргаек тройника и муфт дополнительных промежуточных резьбовых соединений (при их наличии).
Прочность крепления тормозного оборудования на раме вагона проверяется легкими ударами молотка по болтам, при необходимости -произвести укрепление.
Крепление производится скобой, которая закрепляется стопорной планкой, двумя гайками М12. Стопорная планка отгибается на грани гаек.
Неисправности в воздушной магистрали:
- ослабление крепления воздухопровода,
- трещины, изломы, обрыв труб и вмятины на них,
- нарушение плотности соединений труб,
- замерзание влаги в трубах и засорение их , пропуск воздуха в кранах.
Воздухопровод и тормозная арматура могут иметь неисправности, вызывающие утечки воздуха или создающие препятствие для его прохода.
В тормозных рукавах появляется расслоение резины, препятствующее проходу воздуха, наблюдается пропуск воздуха в соединении головок при неисправности уплотнительного кольца, в соединениях резиновой трубки с головкой или наконечником или по трещинам, прорывам и протертостям в резиновой трубке.
Пропуск воздуха или ослабление крепления встречается также у тормозных цилиндров, запасных резервуаров, рабочих камер, разобщительных кранов, воздухораспределителей, авторежимов.
Плотность тормозной сети проверяется при полном опробовании тормозов. Утечки обнаруживаются по шуму воздуха, выходящего через не плотности, по темным пятнам на трубах, скоплению пыли и грязи с характерной шероховатой поверхностью, в зимний период в местах образования утечек наблюдается валик в виде инея.
Концевые краны с усл. №190 и № 4304.
Предназначены для сообщения тормозных магистралей вагонов между собой и локомотивами.
![]() |
| 1. корпус;2. штуцер;3. клапан;4. кривошип;5. втулка;6. ручка;7. уплотнительные кольца. |
Внешний осмотр, заключается в определении отсутствия наличия -трещин, отколов, изломов, повреждения резьбы.
Концевой кран состоит из корпуса, в котором размещена переключающая часть, приводимая в действие рукояткой. Когда она занимает вертикальное положение — кран открыт, а его отросток,
связанный с соединительным рукавом, сообщен с атмосферой через отверстие «Ат» диаметр — 10 мм. При расположенной вдоль отростка ручке — кран открыт, а соединительный рукав изолирован от атмосферного отверстия.
Крепление ручки — плотное, допускается устранение зазора (между ручкой и квадратом) — пластиной толщиной — 1 мм. Суммарный износ эксцентрикового механизма, не более — 2 мм. Расстояние до концевого крана, от вертикального бруса, при длине розетки:
- 185мм — 160 +7-4 мм,
- 130мм — 200+10-10 мм.
Расстояние от продольной оси вагона до оси корпуса крана грузовых вагонов должно быть 280 — 320 мм, а на рефрижераторных вагонах, не более 350 мм. Ручки концевых кранов должны быть исправны, зашплинтованы и, перемещаться свободно, без заедания.
Концевой кран устанавливается под углом 60° к вертикали, что исключает удары головки соединительного рукава о стрелочные переводы, а также обеспечивает их автоматическое разъединение при прохождении горба сортировочной горки. Концевой кран крепится к угольнику скобой через планку-замок шайбой-замком, двумя гайками М12 со строгой фиксацией положения скобы в пазу кронштейна. Гайки фиксируются стопорной пластиной.
Неисправности концевого крана :
Откол корпуса крана, заклинивание клапана, трещины крана, излом ручки, отсутствие деталей (ручки, шплинта, втулки, кривошипа), срыв, смятие резьбы.
Предназначен для выключения отдельных тормозных приборов, состоит из корпуса 3, конической пробки 2, пружины 4, ручки 1 и заглушки 5. При расположении ручки вдоль трубы кран пропускает сжатый воздух, поперек трубы не пропускает. В корпусе крана имеется отверстие «А» диаметром — 3/4 для подсоединения манометра.
Неисправности, при которых кран следует сменить:
- трещины корпуса,
- отколы корпуса,
- излом и деформации ручки,
- деформация и срыв резьбы,
- деформация квадрата пробки.
- вдоль трубы открытое положение крана,
- поперек трубы закрытое положение крана.
При постановке разобщительного крана на вагон стрелка на корпусе крана должна располагаться в направлении двухкамерного резервуара или определяется по маркировке, нанесенной на корпус крана «М» — должна быть направлена в сторону магистрального воздухопровода.
Все резиновые детали, входящие в тормозное оборудование вагона, должны ставиться в зависимости от состояния и с учетом сроков годности. Установлены сроки годности:
- рукава резинотекстильные — 6 лет;
- кольца уплотнительные — 3 года;
- манжеты тормозных цилиндров — 5 лет;
- манжеты всех типов и диафрагмы в тормозных приборах — 3 года;
- прокладки (уплотнения) всех типов в тормозных приборах — 5 лет.
Срок службы резиновых деталей исчисляется от даты изготовления (рельефный оттиск на детали), не считая год изготовления. Прокладки и уплотнения, не имеющие клейма-оттиска с датой изготовления, необходимо ставить в тормозные приборы в зависимости от состояния. Прорезы, расслоения не допускаются.






































