Используемые во многих системах для коммуникационных целей интерфейсы CAN уязвимы для высоковольтных бросков напряжения. Однако некоторые устройства могут помочь защититься от этих проблем.
CAN (Controller Area Network – сеть контроллеров) – это очень популярная последовательная шина, широко используемая в автомобилях, средствах промышленной автоматизации и других промышленных приложениях. Более новая усовершенствованная версия, названная CAN-FD (гибкая скорость передачи данных), обеспечивает более высокие скорости и другие улучшения.
Как обнаружили многие разработчики, CAN часто требует электрической изоляции между узлами и защиты от высоковольтных выбросов, которые регулярно происходят в автомобильном и промышленном оборудовании. Некоторые из недавно анонсированных приемопередатчиков CAN теперь поддерживают последнюю спецификацию CAN-FD, и, кроме того, имеют необходимую изоляцию. Решения для защиты могут также быть основаны на внешних дискретных компонентах, подключаемых к шине.
- Знакомство с CAN
- Необходимость изоляции
- Изоляция
- Защита шины CAN
- Материалы по теме
- Реверс-инжиниринг трафика на шине CAN
- Синфазные дроссели компании Sumida для поверхностного монтажа
- Классификация электромагнитных помех
- Конструкция и принцип работы синфазного дросселя
- Области применения синфазных дросселей
- Базовые параметры синфазных дросселей
- Синфазные дроссели Sumida для цепей постоянного тока
- Синфазные дроссели Sumida для сигнальных цепей
- Применение синфазных дросселей для подавления помех в цепях питания постоянного тока
- Применение синфазных дросселей в скоростных интерфейсах
- Заключение
Знакомство с CAN
CAN – это стандарт последовательного интерфейса, разработанный компанией Robert Bosch и одобренный Собществом автомобильных инженеров (SAE) еще в 1980-х годах. С тех пор, благодаря своей гибкости и надежности, он стал широко использоваться в транспортных средствах и многих промышленных приложениях. Топология интерфейса представляет собой дифференциальную шину с экранированной или неэкранированной витой парой, к которой может быть подключено до 127 узлов. Все узлы являются приемопередатчиками, способными посылать и получать данные. Выпускаются стандартные микросхемы приемопередатчиков, но многие микроконтроллеры имеют интегрированный интерфейс CAN (Рисунок 1).
| Рисунок 1. | Топология шины CAN, к которой подключены микроконтроллер с интерфейсом CAN и другие приемопередающие узлы. |
Данные передаются кадрами, состоящими из 8 байт данных, адресного поля, поля контрольной суммы CRC и других служебных полей. Скорость передачи данных не фиксирована и, начинаясь с 5 кбит/с, может достигать 1 Мбит/с. Максимальная длина шины при скорости 1 Мбит/с равна 40 м. Используется множественный доступ к шине с прослушиванием несущей и обнаружением коллизий (CSMA/CD). CAN имеет ряд разновидностей, таких как CAN-FD, CANopen и SAE J1939. Используются также обозначения ISO-11898 и ISO-11519, присвоенные Международной организацией по стандартизации (ISO).
CAN-FD (ISO-11898-1) – это новейшая версия, которая увеличивает скорость передачи данных до 5 Мбит/с и выше, что делает систему более адаптированной к приложениям реального времени, требующим более низкой задержки и большего детерминизма. Кадр большего размера теперь вмещает 64 байта данных.
Необходимость изоляции
Помимо широкого распространения в автомобильных приложениях, интерфейс CAN используется в системах промышленной автоматизации, драйверах двигателей переменного и постоянного тока, каналах обмена ПЛК, источниках питания телекоммуникационного оборудования, системах отопления и кондиционирования, лифтах, солнечных инверторах и зарядных станциях электрических автомобилей. В некоторых случаях в оборудовании имеются низко- и высоковольтные сегменты, которые должны быть изолированы друг от друга, чтобы защитить низковольтные компоненты от повреждения.
Высоковольтные двигатели, коммутаторы, источники питания и другое оборудование могут генерировать помехи амплитудой в сотни и тысячи вольт. Высоковольтный сигнал, попадающий в низковольтную подсистему, потенциально может уничтожить микроконтроллер. Способом решения этой проблемы является использование изолированных приемопередатчиков и отдельных источников питания с их собственными возвратными землями.
Изоляция
В современных системах CAN необходимо изолировать как сигналы, так и питание. Изоляция реализуется в приемопередатчике, но ее эффект пропадет, если блоки питания по разные стороны изолирующего барьера будут просто соединены друг с другом.
Во многих новых приемопередатчиках CAN используется емкостная изоляция между входами и выходами данных и цепями подключения шины. Два слоя двуокиси кремния образуют два последовательно соединенных конденсатора, через которые передаются данные между схемами, расположенными на двух разных кристаллах, соединенных внутри корпуса.
Примером может служить ISO1042 – выпущенный компанией Texas Instruments новый изолированный приемопередатчик CAN, обеспечивающий емкостную изоляцию и защиту практически любых промышленных и автомобильных конструкций. Устройство, отвечающее требованиям стандартов физического уровня ISO 11898-2 и ISO 11898-5, поддерживает стандарты CAN до 1 Мбит/с и CAN-FD до 5 Мбит/с. Защита шины выдерживает напряжения ±70 В и синфазные напряжения ±30 В. Диапазон напряжений питания составляет от 1.7 В до 5.5 В. Поддерживаются логические уровни 1.8, 2.5, 3.3 и 5.0 В. Микросхема ISO1042 выпускается в корпусах SOIC-8 или SOIC-16.
Реализация разделенного источника обеспечивает дополнительный уровень изоляции. Один из подходов с использованием устройства Texas Instruments показан на Рисунке 2. Микросхема генератора/драйвера SN6505 формирует 100-килогерцовый сигнал для трансформатора, выходное напряжение которого, преобразованное до требуемого уровня, затем выпрямляется и фильтруется. Трансформатор обеспечивает необходимую изоляцию питания. Отфильтрованное напряжение стабилизируется LDO регулятором (таким, скажем, как TPS76350) и питает приемопередатчик CAN. Узловые приемопередатчики и выводы интерфейса CAN микроконтроллера подключаются к шине через дифференциальные линии CANL и CANH.
| Рисунок 2. | Так выглядит изолированный узел CAN с изолированным источником питания и изолированным приемопередатчиком. |
Для упрощения процесса проектирования изолированных подсистем CAN и изоляции сигналов и питания CAN выпускаются различные устройства, как дискретные, так и интегральные.
Защита шины CAN
Изолированные системы обеспечивают нормальную защиту микросхем. Однако в некоторых условиях могут возникать проблемы электростатических разрядов (ESD), высокий уровень которых способен повредить приемопередатчик. По этой причине шина должна быть каким-то образом защищена. При этом крайне важно, чтобы выбранное устройство защиты интерфейса было совместимо с приемопередатчиком.
Наилучшим решением для защиты является использование супрессоров (TVS-диодов), подключенных между каждой линией шины и землей (Рисунок 2). Эти диоды фактически представляют собой два встречно включенных стабилитрона с высоким пробивным напряжением. Максимально допустимое напряжение на выводах приемопередатчиков зависит от типа микросхемы.
Приемопередатчик ISO105 компании TI выдерживает напряжения в диапазоне от −27 В до +40 В. ISO1042 рассчитан на броски напряжения до ±70 В. Максимальное пробивное напряжение супрессоров должно быть меньше этих значений, но больше рабочего напряжения сигналов на шине. Обычно два логических уровня шины составляют менее половины напряжения питания «0» и напряжения питания «1».
Не забывайте, что добавление TVS-диодов обеспечивает защиту от ESD, но одновременно добавляет к шине емкость, ограничивающую верхние скорости передачи данных. Необходимо, чтобы дополнительная емкость была меньше 50 пФ.
Материалы по теме
Перевод: AlexAAN по заказу РадиоЛоцман
Реверс-инжиниринг трафика на шине CAN
Необработанный сигнал шины CAN
Шина CAN (Controller Area Network) стала стандартом в автомобилестроении: все новые автомобили обязаны поддерживать CAN (с 2001 в Европе и с 2008 в США). Кроме автомобилей, CAN применяется и в широком ряде других устройств. Производители диагностического оборудования для CAN рекламируют его применение, кроме разнообразной автомобильной техники, в мотоциклах, автопогрузчиках, судах, шахтных поездах, батискафах, беспилотных самолетах и пр. Давайте разберемся, что из себя представляет CAN.
Читайте также: Шины при переломах челюстей по авторам
В автомобилях используется несколько CAN; например, в Ford Focus таких шин четыре — три высокоскоростных (500 kbps) для управления мотором, тормозами, приборной панелью и т.п., и одна низкоскоростная (125 kbps) для управления дверьми, фарами, подушками безопасности, аудиосистемой, кондиционером и всем прочим. Подключившись к CAN, можно имитировать сигналы от любых устройств в автомобиле — например, управлять кондиционером с приложения на телефоне или накручивать одометр без движения автомобиля. Подключив к шине Arduino и реле, можно управлять с приборной панели дополнительной парковочной камерой. Даже стартапы, работающие над беспилотными автомобилями, такие как Voyage, начинают создание прототипа с того, что в обычном серийном автомобиле подключаются к CAN и учатся имитировать сигналы от педалей и руля.
Для подключения к CAN в автомобиле обычно возле руля имеется разъем OBD-II (On-Board Diagnostics).
Адаптеры OBD2-USB для подключения компьютера к CAN стоят от $5, и позволяют отслеживать весь трафик внутри автомобиля. Иногда разъем OBD-II защищен «аппаратным фаерволом», позволяющим принимать пакеты от устройств, подключенных к CAN, но не позволяющим передавать пакеты обратно на шину. В этом случае достаточно вывинтить разъем, и подключиться к проводам CAN вместо него.
Каждый пакет, передаваемый по шине CAN, состоит из ID передающего устройства (11 либо 29 бит), и до 8 байт передаваемых данных. Трафик, проходящий по шине при включении зажигания, может выглядеть как-то так:
Для анализа трафика CAN существует большое число инструментов — как коммерческих, так и OpenSource. Пакет can-utils для Linux включает утилиту cansniffer , которая отображает для каждого CAN ID только последний отправленный пакет, и тем самым позволяет отслеживать изменения показаний каждого датчика на шине:
Для реверс-инжиниринга трафика CAN сингапурские исследователи, из доклада которых я взял этот трейс, записали на видео приборную доску подопытного автомобиля, и затем соотнесли изменения на приборной доске с одновременными изменениями в трафике. Определив таким образом CAN ID датчика скорости и формат передаваемых им данных, они научились «подделывать» его пакеты, передавая на спидометр и на тахометр показания, не соответствующие действительности.
Надо понимать, что параллельно с передачей «поддельных» пакетов по шине продолжают передаваться и настоящие сигналы от датчика скорости. Чтобы тахометр показывал сфабрикованные показания, надо отслеживать передачу по шине настоящих показаний, и каким-либо образом их подавлять — например, сразу после обнаружения передачи CAN ID датчика скорости физически «глушить» шину, закорачивая линии данных. Более простой, чисто программный метод подавления настоящих показаний — сразу же после их передачи, пока тахометр еще не успел отреагировать, передавать «поддельные» пакеты. Например, следующий простой шелл-скрипт отслеживает передачу с CAN и сразу же после нее передает сфабрикованный пакет при помощи утилиты cansend из состава все тех же can-utils:
Даже хотя все устройства в автомобиле подключены к CAN, далеко не все их функции управляются через CAN. Например, на CAN в Ford Escape передаются сигналы о степени нажатия педалей газа и тормоза — но используются эти сигналы только блоком ABS, тогда как приводы дроссельной заслонки и тормозов соединены с педалями напрямую, минуя CAN.
C точки зрения безопасности ни о какой уязвимости в докладе сингапурцев речи не идет, потому что для передачи «поддельных» CAN-пакетов нужен физический доступ к шине. Кроме того, пакеты могут быть защищены контрольной суммой — например, в автомобилях Toyota последний байт каждого пакета должен равняться сумме всех предыдущих (по модулю 256). Кроме этого, в Toyota для защиты от нежелательных пакетов используется фильтрация получателем — например, игнорируются повороты руля более чем на 5% от текущего значения.
Тем не менее исследователям безопасности удавалось получить к CAN и удаленный доступ: вначале на небольшом расстоянии — через уязвимости в Bluetooth-модуле, подключенном к той же самой шине; а затем через сотовую сеть Sprint, через которую внедорожники нескольких американских производителей получали данные о пробках на дорогах. Исследователи, продемонстрировавшие перехват управления Jeep Cherokee с расстояния в несколько миль, получили от Управления перспективных исследовательских проектов Министерства обороны США (DARPA) вознаграждение в 80 тысяч долларов. С тех пор многие автопроизводители объявили о собственных bounty-программах, обещающих выплаты от $1500 за каждую обнаруженную уязвимость. Таким образом, реверс-инжиниринг трафика на шине CAN может не только добавить вашему автомобилю новые возможности, но и существенно пополнить ваш кошелек.
Синфазные дроссели компании Sumida для поверхностного монтажа
Для снижения уровня нежелательного ЭМИ и улучшения помехоустойчивости требуется использование эффективных технологий фильтрации шума. Применение синфазных дросселей производства компании Sumida позволяет обеспечить должный уровень электромагнитной совместимости и повысить надежность работы электронных приборов.
Компания Sumida (http://www.sumida.com/) была основана в 1956 году. Производство катушек индуктивности онa освоила в 1965. В настоящее время корпорация Sumida имеет подразделения и производства в различных странах Азии, Европы и Америки (Китай, Таиланд, Тайвань, Вьетнам, Германия, Румыния, Словения, Мексика). Компания производит электронные компоненты и модули, в которых используется индукционная технология (индуктивности, дроссели, трансформаторы, соленоиды, катушки зажигания). Эти компоненты и модули предназначены для применения в различных секторах: автомобильной и бытовой электронике, энергетике, медицинской технике. Для силовой электроники выпускаются синфазные и силовые дроссели и трансформаторы, ЭМИ-фильтры, ВЧ-трансформаторы. Для автомобильного сектора компания производит катушки инжекторов и соленоиды для ABS, антенны для беспроводных систем доступа, индукционные датчики, модули поджига ксенонового автосвета, элементы противоугонных автомобильных систем, модули управления приводом руля, а также гибкие и плоские кабели для автомобильных систем.
Для решения проблем обеспечения электромагнитной совместимости (EMC) компания производит широкую номенклатуру синфазных дросселей. Компактные синфазные дроссели, выпускаемые компанией, предназначены для поверхностного монтажа. Продукция ориентирована на применение в электронной аппаратуре (компьютерах, мобильных устройствах, бытовой электронике). Дроссели отличает высокое качество, эффективность подавления ЭМИ и доступная цена.
Читайте также: Чем замерить глубину протектора шины
Синфазные дроссели являются одним из эффективных компонентов для создания ЭМИ-фильтров. Они широко применяются для фильтрации помех в сигнальных цепях и цепях питания переменного и постоянного тока. Типовое применение синфазных дросселей — фильтрация помех в высокоскоростных цепях и интерфейсах, например в интерфейсах HDMI. Особая область – цепи CAN-интерфейса в автомобильных системах управления.
Классификация электромагнитных помех
Электромагнитные помехи распространяются как по проводам (кондуктивные помехи), так и через окружающее пространство (излучаемые помехи). Кондуктивные помехи можно разделить на две составляющие: синфазные (common-mode) и дифференциальные (differential-mode или normal-mode).
Дифференциальные помехи проходят по линиям электропитания и не связаны с заземлением. Они измеряются между двумя проводами линии. Синфазные помехи измеряются между одним из проводов и землей. Синфазные помехи можно описать как помехи между проводом и землей, дифференциальные — как помехи между двумя проводами, ток в которых течет в противоположных направлениях. С последним типом помех достаточно успешно борется дроссель в паре с конденсатором.
Конструкция и принцип работы синфазного дросселя
Синфазный дроссель состоит из двух катушек, намотанных на общий сердечник. В качестве сердечника используется, как правило, кольцевой магнитопровод с высокой магнитной проницаемостью, например феррит. Когда через катушки протекают дифференциальные токи, магнитные поля, индуцированные этими токами, взаимно уничтожают друг друга. Если пренебречь омическим сопротивлением катушек, то их входной импеданс в этом случае будет равен нулю. Теоретически они не влияют на прохождение дифференциальных сигналов. В случае появления синфазных токов магнитные потоки обоих катушек складываются, и входной импеданс увеличивается, что приводит к подавлению синфазных токов и значительному снижению амплитуды шумового сигнала. На рисунке 1 показана структура и принцип работы синфазного дросселя.
Рис. 1. Структура и принцип работы синфазного дросселя
Синфазные дроссели для дифференциального сигнала работают как простой проводник, а для синфазного тока (шума) – как индуктивность. Таким образом, применение синфазного дросселя обеспечивает большой импеданс для синфазного тока и большую эффективность подавления синфазных шумов по сравнению с обычными индуктивностями. Даже если частоты полезного сигнала и шума пересекаются, использование дифференциального режима позволяет подавлять только шум. Даже при большом уровне дифференциальных сигналов сердечник дросселя не насыщается, а характеристики дросселя не ухудшаются. Синфазные дроссели подходят для подавления шумов там, где искажение формы сигнала может вызвать проблемы, например, в линиях передачи видеосигнала.
Области применения синфазных дросселей
Синфазные дроссели с успехом применяются для подавления синфазных помех как в силовых, так и в сигнальных цепях электронной аппаратуры:
- материнские платы в персональных ПК, ноутбуки;
- принтеры, сканеры;
- DVD-плееры;
- ЖК-дисплеи;
- игровые приставки;
- периферийное оборудование ПК;
- сотовые телефоны;
- GPS-навигаторы;
- автомобильная электроника.
Компактные синфазные дроссели для поверхностного монтажа активно используются для подавления синфазных шумов в высокоскоростных дифференциальных линиях интерфейсов CAN, USB, IEEE1394, LVDS, DVI, HDMI.
Базовые параметры синфазных дросселей
Рис. 2. Электрическая схема синфазного дросселя
Типовая электрическая схема синфазного дросселя показана на рисунке 2.
В синхронном дросселе параметры обеих обмоток абсолютно идентичны, а сами катушки намотаны абсолютно симметрично на сердечнике, чтобы обеспечить идеальность характеристик.
К базовым параметрам синфазных дросселей относятся:
- конструкция, размеры (при этом для портативных устройств с высокой степенью интеграции важна высота профиля над платой);
- тип монтажа;
- импеданс на тестовой частоте 100 МГц (в Омах);
- сопротивление обмоток дросселя на постоянном токе (в мОм или Ом);
- допустимый максимальный ток через дроссель (в мА или А).
В таблицах параметров приводятся, как правило, два значения импеданса – типовое и минимальное. Для некоторых типов дросселей вместо импеданса приводится номинальное значение индуктивности дросселя. В этом случае для некоторых серий дросселей приводятся значения допустимого отклонения индуктивности от номинального значения. В отдельных случаях указывается прочность изоляции между обмотками, которая выражается в значении тестового напряжения, при котором сохраняется высокое сопротивление и не будет паразитных токовых утечек.
Синфазные дроссели Sumida для цепей постоянного тока
Основными источниками шума в современной электронной аппаратуре является, как правило, импульсный источник питания. Для уменьшения уровня помех (кондуктивных и излучаемых) в цепях питания используются синфазные дроссели. Именно они могут обеспечить высокий уровень эффективности подавления ЭМИ. В номенклатуре компании Sumida представлен ряд серий синфазных дросселей, предназначенных для поверхностного монтажа и фильтрации цепей постоянного тока. При малых габаритах синфазные дроссели Sumida способны работать в цепях постоянного тока до 6 А.
Все рассматриваемые ниже серии дросселей имеют широкий рабочий температурный диапазон до 125°С и могут быть использованы в том числе для автомобильной электроники. В таблице 1 приведены базовые характеристики серий синфазных дросселей, предназначенных для фильтрации помех в цепях постоянного тока. Характерной особенностью дросселей этого типа является высокий допустимый ток и малое сопротивление обмоток на постоянном токе.
Таблица 1. Основные характеристики синфазных дросселей, предназначенных для ЭМИ-фильтрации цепей постоянного тока
| Наименование | Размеры, ШxДxВ, мм | Импеданс на 100 МГц, Ом, тип./мин. | DCR при 20°С, мОм | Макс. ток, А | Особенности применения |
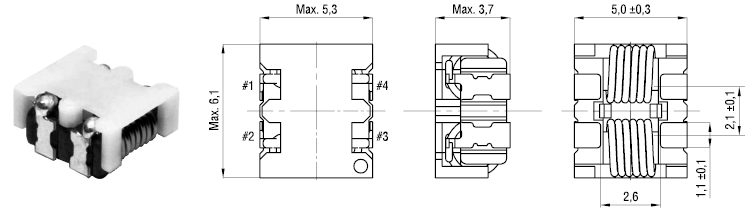
| CPFC43NP100M801 | 5.3х6.1х3.7 | 800/400 | 21 | 2 | Цепи интерфейсов CAN, аудио-, видео |
| CPFC74BNP-851 | 7.5×7.5×5.3 | 850/510 | 16 | 3.5 | |
| CPFC74BNP-102 | 7.5×7.5×5.3 | 1000/600 | 20 | 2.5 | |
| CPFC94 | 7.5×7.5×5.3 | 700 | 10 | 5 | ЭМИ-фильтр в цепях питания светодиодных автоламп |
| CPFC11D60-100M08 | 11.7×12.8×6.5 | 800 | 8 | 6 | Цепи питания ЖК-телевизоров и компьютеров |
| CPFC5D33-300 | 5.5×6.2×3.5 | 225 | 25 | 2.5 | |
| CPFC6D36-100M06 | 6.2×5.3×3.8 | 600 | 20 | 2.5 | |
| CPFC805NP-100M05 | 7.9×7.8×4.8 | 500 | 15 | 4.5 | |
| CSLF4D17NP-212 | 5.5×5.0×1.9 | 2100/1050 | 70 ±40% | 0.9 | Портативная аппаратура с напряжением питания до 50 В, автомобильные GPS-навигаторы |
| CSLF4D17NP-122 | 5.5×5.0×1.9 | 1200/600 | 60 ±40% | 0.95 | |
| CSLF4D17NP-781 | 5.5×5.0×1.9 | 780/390 | 50 ±40% | 1 | |
| CSLF4D17NP-391 | 5.5×5.0×1.9 | 390/190 | 40 ±40% | 1.2 | |
| CSLF4D25NP-201 | 5.0×5.4×2.5 | 200/100 | 13 ±40% | 3.5 | |
| CSLF4D25NP-351 | 5.0×5.4×2.5 | 350/175 | 17 ±40% | 3 | |
| CSLF4D25NP-701 | 5.0×5.4×2.5 | 700/350 | 22 ±40% | 2.5 | |
| CSLF4D25NP-112 | 5.0×5.4×2.5 | 1100/550 | 28 ±40% | 2 | |
| CSLF4D25NP-192 | 5.0×5.4×2.5 | 1900/950 | 40 ±40% | 1.5 | |
| CSLF4D25NP-202 | 5.0×5.4×2.5 | 2000/1000 | 54 ±40% | 1 |
Ниже на рисунках 3…7 приведены конструкция, внешний вид и частотные характеристики отдельных серий синфазных дросселей.
Рис. 3. Внешний вид синфазного дросселя серии CPFC43
Рис. 4. Типовые частотные характеристики для дросселей серии CPFC43
Рис. 5. Внешний вид синфазного дросселя серии CPFC74B
Рис. 6. Типовые частотные характеристики для дросселей серии CPFC74B
Рис. 7. Внешний вид синфазного дросселя серии CSLF4D17
На графиках, изображенных на рисунке 4, указаны две характеристики импеданса по отношению к двум режимам работы дросселя – синфазному (Common Mode) и дифференциальному (Normal Mode). Заметим, что частотные характеристики импеданса для обоих режимов очень сильно отличаются.
Читайте также: Nexen шины чья фирма
Особенностью дросселя CSLF4D17 (рисунок 7) является сверхнизкий профиль – всего 1.9 мм.
Синфазные дроссели Sumida для сигнальных цепей
Рис. 8. Электрическая схема четырехлинейного синфазного дросселя серии CSLF1205
Синфазные дроссели для поверхностного монтажа в основном ориентированы на применение в портативной аппаратуре, в цепях CAN-интерфейсов автомобильных систем, в сигнальных цепях xDSL-модемов, а также в качестве ЭМИ-фильтров в любой электронной аппаратуре. Кроме того, дроссели могут применяться и в качестве ЭМИ-фильтров, и в цепях питания. Например, серия дросселей CPFC85 допускает работу с токами до 5.65 А, хотя основным назначением серии является фильтрация в сигнальных цепях. Компания Sumida выпускает широкую номенклатуру компактных синфазных дросселей для поверхностного монтажа. В последнее время в номенклатуре сигнальных синхронных дросселей появились и многоканальные (двух- и четырехлинейные) синхронные дроссели в одном микрокорпусе. На рисунке 8 приведена электрическая схема четырехлинейного синфазного дросселя серии CSLF1205 производства компании Sumida, предназначенного для фильтрации сигналов, например, в дифференциальных LVDS-интерфейсах.
В рамках данной статьи рассматриваются только серии одноканальных синфазных дросселей для поверхностного монтажа, предназначенных для фильтрации сигнальных цепей в электронной аппаратуре широкого профиля. В таблице 2 приведены базовые параметры синфазных дросселей производства компании Sumida для фильтрации шумов в сигнальных цепях.
Таблица 2. Синфазные smd-дроссели Sumida для сигнальных цепей
| Наименование | Размеры, ШxДxВ, мм | Импеданс на 100 МГц, Ом, мин. | DCR при 20°С, мОм, | Макс. ток, А | Особенности применения |
| Серия CRR32 | |||||
| CRR32NP-02A | 3.4х4.7х2.8 | 800 | 500 | 0.4 | Цифровая аудио- и видеотехника, камеры, фотокамеры, сигнальные и силовые цепи |
| CRR32NP-05A | 650 | 300 | 0.46 | ||
| CRR32NP-07A | 500 | 200 | 0.58 | ||
| CRR32NP-10A | 350 | 200 | 0.8 | ||
| Серия CPFC74 | |||||
| CPFC74NC-CB10M4 | 9.5×5.7×5.08 | 1000 | 300 | 0.5 | Для сигнальных цепей CAN-интерфейса; электрическая прочность изоляции между обмотками 200 В (5 с) |
| CPFC74NC-CB08M6 | 800 | 250 | 0.5 | ||
| CPFC74NC-PS10H2A15 | 700 | 120 | 1.5 | Для фильтрации цепей питания;электрическая прочность изоляции между обмотками 125 В (5 с) | |
| CPFC74NC-PS02H2A20 | 200 | 120 | 2 | ||
| CPFC74NC-PS03H2A25 | 300 | 120 | 2.5 | ||
| CPFC74NC-PS01H2A30 | 100 | 60 | 3 | ||
| Серия CPFC85 | |||||
| CPFC85NP-100M10 | 9.3×8.2×5.5 | 1000 | 20 | 4 | ЭМИ-фильтр для широкого класса аппаратуры |
| CPFC85NP-100M03 | 300 | 20 | 5.65 | ||
| Серия CPFCD55/MS | |||||
| CPFCD55-471 | 9.3×9.0×6.0 | 0.2 | 130 | 1.6 | Телеком, xDSL-модемы |
| CPFCD55-472 | 2 | 1000 | 0.4 | ||
| CPFCD55-902 | 4 | 1600 | 0.3 | ||
Для синфазных дросселей серии CPFC54 (таблица 3) вместо импеданса в документации производителя приводятся данные по индуктивности и допустимый разброс индуктивности для каждого типа.
Таблица 3. Основные параметры синфазных дросселей серии CPFC54
| Наименование | Размеры, ШxДxВ, мм | Индуктивность, мкГ | DCR при 20°С, мОм, | Макс. ток, А | Особенности применения |
| CPFC54-050C | 9.5×5.65×4.9 | 5 ±30% | 100 | 0.9 | Фильтрация сигнальных цепей в телекоммуникационном оборудовании, портативной аппаратуре |
| CPFC54-110C | 11 ±30% | 120 | 0.7 | ||
| CPFC54-250C | 25 ±30% | 130 | 0.7 | ||
| CPFC54-250S | 25 ±30% | 130 | 0.7 | ||
| CPFC54-510C | 51 ±30% | 160 | 0.6 | ||
| CPFC54-510S | 51 ±30% | 160 | 0.6 | ||
| CPFC54-101C | 100 ±30% | 230 | 0.5 | ||
| CPFC54-471C | 470 ±30% | 200 | 0.5 | ||
| CPFC54-102C | 1000 (-30/+50)% | 200 | 0.5 | ||
| CPFC54-222C | 2200 (-30/+50)% | 400 | 0.4 | ||
| CPFC54-472C | 4700 (-30/+50)% | 650 | 0.2 |
На рисунках 9…16 приведены конструкция, внешний вид и частотные характеристики импеданса для отдельных типов синфазных дросселей.
Рис. 9. Внешний вид синфазного дросселя серии CRR32
Рис. 10. Типовая частотная характеристика импеданса дросселя серии CRR32
Рис. 11. Конструкция дросселя CPFC54
Рис. 12. Типовые частотные характеристики импеданса синфазных дросселей серии CPFC54
Рис. 13. Внешний вид и электрическая схема синфазного дросселя серии CPFC74
Рис. 14. Частотная характеристика импеданса синфазного дросселя серии CPFC74
Рис. 15. Внешний вид и электрическая схема дросселя серии CPFC 85
Рис. 16. Частотные характеристики дросселей серии CPFC85
Как видно из рисунка 10, импеданс дросселя практически линейно увеличивается до частот 500…600 МГц.
Особенность справочных данных: в качестве базового параметра фильтров для серии CPFC54 производитель указывает значение индуктивности, а не импеданса. А вот частотные характеристики приводятся для импеданса (в режиме фильтрации синфазных помех).
Применение синфазных дросселей для подавления помех в цепях питания постоянного тока
Синфазные дроссели могут применяться для подавления шумового ЭМИ в цепях питания постоянного тока. Импульсные источники питания являются мощным источником паразитного ЭМИ как в самих устройствах, так и адаптерах питания. Для уменьшения уровня ЭМИ-помех через кабель синфазные дроссели устанавливаются на выходе сетевого адаптера. У входов разъема подключения внешнего адаптера питания также устанавливается синфазный дроссель.
На шине питания постоянного тока присутствуют как дифференциальные, так и синфазные помехи, поэтому следует принять меры к подавлению и тех, и других.
Для подавления синфазных помех могут быть использованы синфазные дроссели Sumida серии CPFC805.
Применение синфазных дросселей в скоростных интерфейсах
Фильтрация в автомобильных CAN-интерфейсах
Компания Sumida в своей документации специально акцентирует использование определенных серий синфазных дросселей именно в данном секторе – фильтрации помех в сигнальных цепях автомобильных CAN-интерфейсов. На рисунке 17 показана типовая схема применения синфазного дросселя в сигнальных цепях CAN-интерфейса.
Рис. 17. Применение синфазного дросселя для фильтрации помех в сигнальных цепях CAN-интерфейса
Фильтрация в цепях USB-интерфейсов
Основным источником ЭМИ в цепях данного интерфейса является интерфейсный кабель. Установка синфазного фильтра по дифференциальным сигналам данных позволяет с одной стороны уменьшить уровень излучения ЭМИ через кабель со стороны передающего блока USB, а с другой – обеспечить фильтрацию внешних помех. На рисунке 18 показана типовая схема применения синфазного дросселя в сигнальных цепях USB-интерфейса.
Рис. 18. ЭМИ–фильтр в цепях USB-интерфейса
ЭМИ-фильтры в дисплейных интерфейсах
Для подавления шума в HDMI обычно встраиваются фильтры, подавляющие только синфазную составляющую и не оказывающие никакого влияния на дифференциальные сигналы. Синфазные дроссели могут устанавливаться с обеих сторон интерфейсного кабеля на сигнальные цепи и цепи синхронизации LVDS-интерфейса. На рисунке 19 приведена схема использования синхронных дросселей в цепях кабеля LVDS-интерфейса ЖК-дисплея.
Рис. 19. Использование синхронных дросселей
в цепях кабеля LVDS-интерфейса ЖК-дисплея
Заключение
Применение синхронных дросселей Sumida обеспечивает снижение уровня помех, повышение помехоустойчивости и надежности функционирования сложных электронных устройств с высоким уровнем интеграции, работающих на высоких рабочих частотах. Широкая номенклатура обеспечивает выбор оптимального решения для различных применений с отличным показателем «цена/качество».
- Свежие записи
- Нужно ли менять пружины при замене амортизаторов
- Скрипят амортизаторы на машине что делать
- Из чего состоит стойка амортизатора передняя
- Чем стянуть пружину амортизатора без стяжек
- Для чего нужны амортизаторы в автомобиле
- Правообладателям
- Политика конфиденциальности
































