Соединение шин болтами. Проводники прямоугольного сечения соединяют между собой с помощью болтов, шпилек или сжимов. Число болтов определяется размерами шин. Силу сжатия контактных поверхностей целесообразнее обеспечивать применением нескольких болтов небольшого сечения, а не одного болта большего сечения, так как в первом случае количество контактных пятен получается больше. В результате переходное сопротивление соединения уменьшается и происходит более равномерное распределение тока по контактной площади. Несколько параллельных шин фазы соединяют между собой путем укладки их в переплет, а не попарно, так как в последнем случае контактная поверхность получается значительно меньшей, а переходное сопротивление большим. При прохождении электрического тока контактные соединения нагреваются и как следствие, расширяются. Особенно значительный нагрев и расширение происходят при коротком замыкании. Расширение не одинаково по всему соединению, так как его детали имеют разные коэффициенты линейного расширения. Болты соединений медных и алюминиевых шин работают в неблагоприятных условиях, поскольку коэффициент линейного расширения стального болта меньше, чем медной или алюминиевой шины, кроме того, болты при коротком замыкании всегда нагреваются значительно меньше, чем шины. В режиме короткого замыкания на болты действуют дополнительные силы, которые, складываясь с силой затяжки болта, могут привести к остаточным деформациям и ослаблению контактного соединения при понижении температуры. Чем больше толщина пакета шин, тем больше механические напряжения возникают в стягивающих болтах. Эти напряжения могут быть снижены, если под головки болтов (гаек) установить тарельчатые пружины.
Тарельчатые пружины электротехнического назначения изготовляют (по ГОСТ 17279-71) двух типов: Ш – для поддержания контактного давления в соединениях шин; К – для поддержания контактного давления в соединениях кабельных наконечников с выводами электрооборудования, имеющими уменьшенную контактную поверхность по сравнению с шинами.
Допускается вместо тарельчатых пружин устанавливать со стороны алюминия утолщенную шайбу под головку болта или под гайку также для снижения напряжения. Длина перекрытия (нахлеста) соединяемых элементов в контактном соединении при одном или четырех болтах редко превышает ширину шины, а при двух болтах составляет от 1,5 до 2 размеров ширины шины.
Уменьшение переходного сопротивления соединения достигается повышением контактного давления и понижением его жесткости. Для уменьшения жесткости контактного соединения на шинах делают продольные разрезы шириной 3 … 4 мм и длиной 50 мм.
Болты в соединении выбирают в зависимости от удельных давлений между контактными поверхностями, кажущейся плотности тока и допустимых растягивающих усилий для болтов. Рекомендуемые удельные давления в КС для различных материалов контактных соединений приведены ниже в табл. 2.1.
Длину болтов подбирают такой, чтобы после сборки и затяжки соединений оставалось не менее двух ниток свободной резьбы. Затяжку болтов КС производят гаечным ключом, обеспечивая значения нужных крутящих моментов, приведенные в табл. 2.2. Соединение алюминиевых шин с шинами из меди или алюминиевых сплавов толщиной 4 мм, а также медных или стальных шин толщиной 6 мм допускается производить болтами М6 длиной 16 мм или М8 длиной 20 мм.
Дата добавления: 2017-04-20 ; просмотров: 1682 ; ЗАКАЗАТЬ НАПИСАНИЕ РАБОТЫ
Схемы разборных соединений прямоугольных шин
Опубликованные здесь схемы взяты из трех инструкций:
При этом соединение шин во второй и третей инструкциях в большинстве случаев одинаковые и поэтому схемы объедены как по инструкции №2.
Какую схему соединения выбрать? Решать самим пользователям. Нам больше нравится вторая инструкция — надёжней как-то.
Схемы болтовых соединений шин
| Ширина шины Ш1 | Ширина шины Ш2 | Материал шин | Ссылки на схемы | Примечание |
|---|---|---|---|---|
| 120 | 120 | CU / AL | Схемы 1 | |
| 100 | CU / AL | Схемы 2 | ||
| 80 | CU / AL | Схемы 3 | ||
| 60 | CU / AL | Схемы 4 | ||
| 50 | CU / AL | Схемы 5 | ||
| 40 | CU / AL | Схемы 6 | ||
| 30 | CU / AL | Схемы 7 | ||
| 20 | CU / AL | Схемы 8 | ||
| 15 | CU / AL | Схемы 9 | ||
| 100 | 100 | CU / AL | Схемы 10 | |
| 80 | CU / AL | Схемы 11 | ||
| 60 | CU / AL | Схемы 12 | ||
| 50 | CU / AL | Схемы 13 | ||
| 40 | CU / AL | Схемы 14 | ||
| 30 | CU / AL | Схемы 15 | ||
| 20 | CU / AL | Схемы 16 | ||
| 15 | CU / AL | Схемы 17 | ||
| 80 | 80 | CU / AL | Схемы 18 | |
| 60 | CU / AL | Схемы 19 | ||
| 50 | CU / AL | Схемы 20 | ||
| 40 | CU / AL | Схемы 21 | ||
| 30 | CU / AL | Схемы 22 | ||
| 20 | CU / AL | Схемы 23 | ||
| 15 | CU / AL | Схемы 24 |
| Ширина шины Ш1 | Ширина шины Ш2 | Материал шин | Ссылки на схемы | Примечание |
|---|---|---|---|---|
| 60 | 60 | CU / AL | Схемы 25 | |
| 50 | CU / AL | Схемы 26 | ||
| 40 | CU / AL | Схемы 27 | ||
| 30 | CU / AL | Схемы 28 | ||
| 20 | CU / AL | Схемы 29 | ||
| 15 | CU / AL | Схемы 30 | ||
| 50 | 50 | CU / AL | Схемы 31 | |
| 40 | CU / AL | Схемы 32 | ||
| 30 | CU / AL | Схемы 33 | ||
| 20 | CU / AL | Схемы 34 | ||
| 15 | CU / AL | Схемы 35 | ||
| 40 | 40 | CU / AL | Схемы 36 | |
| 30 | CU / AL | Схемы 37 | ||
| 20 | CU / AL | Схемы 38 | ||
| 15 | CU / AL | Схемы 39 | ||
| 30 | 30 | CU / AL | Схемы 40 | |
| 20 | CU / AL | Схемы 41 | ||
| 15 | CU / AL | Схемы 42 | ||
| 20 | 20 | CU / AL | Схемы 43 | |
| 15 | CU / AL | Схемы 44 | ||
| 15 | 15 | CU / AL | Схемы 45 |
▼ 1. Разборное соединение шин шириной 120 мм (Ш1 и Ш2). (вверх)
| Схема по инструкции 1 (размер крепежа М16) | Схема по инструкции 2 (размер крепежа М16) | ||
|---|---|---|---|
| Ответвление | Соединение | Ответвление | Соединение |
![]() | ![]() | ![]() | ![]() |
▼ 2. Разборное соединение шин шириной 120 мм (Ш1) и 100 мм (Ш2). (вверх)
| Схема по инструкции 1 (размер крепежа М16) | Схема по инструкции 2 (размер крепежа М16) | ||
|---|---|---|---|
| Ответвление | Соединение | Ответвление | Соединение |
![]() | ![]() | ![]() | ![]() |
▼ 3. Разборное соединение шин шириной 120 мм (Ш1) и 80 мм (Ш2). (вверх)
| Схема по инструкции 1 (размер крепежа М12) | Схема по инструкции 2 (размер крепежа М16) | ||
|---|---|---|---|
| Ответвление | Соединение | Ответвление | Соединение |
![]() | ![]() | ![]() | ![]() |
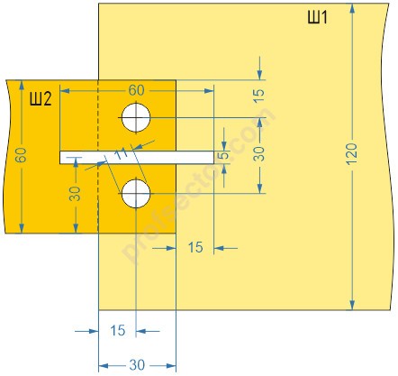
▼ 4. Разборное соединение шин шириной 120 мм (Ш1) и 60 мм (Ш2). (вверх)
| Схема по инструкции 1 (размер крепежа М10) | Схема по инструкции 2 (размер крепежа М12) | ||
|---|---|---|---|
| Ответвление | Соединение | Ответвление | Соединение |
![]() | ![]() | ![]() | ![]() |
▼ 5. Разборное соединение шин шириной 120 мм (Ш1) и 50 мм (Ш2). (вверх)
| Схема по инструкции 1 (размер крепежа М16) | Схема по инструкции 2 (размер крепежа М12) | ||
|---|---|---|---|
| Ответвление | Соединение | Ответвление | Соединение |
![]() | ![]() | ![]() | ![]() |
▼ 6. Разборное соединение шин шириной 120 мм (Ш1) и 40 мм (Ш2). (вверх)
| Схема по инструкции 1 (размер крепежа М12) | Схема по инструкции 2 (размер крепежа М12) | ||
|---|---|---|---|
| Ответвление | Соединение | Ответвление | Соединение |
![]() | ![]() | ![]() | ![]() |
▼ 7. Разборное соединение шин шириной 120 мм (Ш1) и 30 мм (Ш2). (вверх)
| Схема по инструкции 1 (размер крепежа М10) | Схема по инструкции 2 (размер крепежа М12) | ||
|---|---|---|---|
| Ответвление | Соединение | Ответвление | Соединение |
![]() | ![]() | ![]() | ![]() |
▼ 8. Разборное соединение шин шириной 120 мм (Ш1) и 20 мм (Ш2). (вверх)
| Схема по инструкции 1 (размер крепежа М8) | Схема по инструкции 2 (размер крепежа М10) | ||
|---|---|---|---|
| Ответвление | Соединение | Ответвление | Соединение |
![]() | ![]() | ![]() | ![]() |
▼ 9. Разборное соединение шин шириной 120 мм (Ш1) и 15 мм (Ш2). (вверх)
| Схема по инструкции 1 (размер крепежа М6) | Схема по инструкции 2 (размер крепежа М6) | ||
|---|---|---|---|
| Ответвление | Соединение | Ответвление | Соединение |
![]() | ![]() | ![]() | ![]() |
▼ 10. Разборное соединение шин шириной 100 мм (Ш1 и Ш2). (вверх)
| Схема по инструкции 1 (размер крепежа М16) | Схема по инструкции 2 (размер крепежа М16) | ||
|---|---|---|---|
| Ответвление | Соединение | Ответвление | Соединение |
![]() | ![]() | ![]() | ![]() |
▼ 11. Разборное соединение шин шириной 100 мм (Ш1) и 80 мм (Ш2). (вверх)
| Схема по инструкции 1 (размер крепежа М12) | Схема по инструкции 2 (размер крепежа М16) | ||
|---|---|---|---|
| Ответвление | Соединение | Ответвление | Соединение |
![]() | ![]() | ![]() | ![]() |
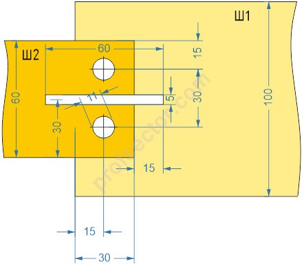
▼ 12. Разборное соединение шин шириной 100 мм (Ш1) и 60 мм (Ш2). (вверх)
| Схема по инструкции 1 (размер крепежа М6) | Схема по инструкции 2 (размер крепежа М12) | ||
|---|---|---|---|
| Ответвление | Соединение | Ответвление | Соединение |
![]() | ![]() | ![]() | ![]() |
▼ 13. Разборное соединение шин шириной 100 мм (Ш1) и 50 мм (Ш2). (вверх)
| Схема по инструкции 1 (размер крепежа М16) | Схема по инструкции 2 (размер крепежа М12) | ||
|---|---|---|---|
| Ответвление | Соединение | Ответвление | Соединение |
![]() | ![]() | ![]() | ![]() |
▼ 14. Разборное соединение шин шириной 100 мм (Ш1) и 40 мм (Ш2). (вверх)
| Схема по инструкции 1 (размер крепежа М12) | Схема по инструкции 2 (размер крепежа М12) | ||
|---|---|---|---|
| Ответвление | Соединение | Ответвление | Соединение |
![]() | ![]() | ![]() | ![]() |
▼ 15. Разборное соединение шин шириной 100 мм (Ш1) и 30 мм (Ш2). (вверх)
| Схема по инструкции 1 (размер крепежа М10) | Схема по инструкции 2 (размер крепежа М12) | ||
|---|---|---|---|
| Ответвление | Соединение | Ответвление | Соединение |
![]() | ![]() | ![]() | ![]() |
▼ 16. Разборное соединение шин шириной 100 мм (Ш1) и 20 мм (Ш2). (вверх)
| Схема по инструкции 1 (размер крепежа М8) | Схема по инструкции 2 (размер крепежа М10) | ||
|---|---|---|---|
| Ответвление | Соединение | Ответвление | Соединение |
![]() | ![]() | ![]() | ![]() |
▼ 17. Разборное соединение шин шириной 100 мм (Ш1) и 15 мм (Ш2). (вверх)
| Схема по инструкции 1 (размер крепежа М6) | Схема по инструкции 2 (размер крепежа М6) | ||
|---|---|---|---|
| Ответвление | Соединение | Ответвление | Соединение |
![]() | ![]() | ![]() | ![]() |
▼ 18. Разборное соединение шин шириной 80 мм (Ш1 и Ш2). (вверх)
| Схема по инструкции 1 (размер крепежа М12) | Схема по инструкции 2 (размер крепежа М16) | ||
|---|---|---|---|
| Ответвление | Соединение | Ответвление | Соединение |
![]() | ![]() | ![]() | ![]() |
▼ 19. Разборное соединение шин шириной 80 мм (Ш1) и 60 мм (Ш2). (вверх)
| Схема по инструкции 1 (размер крепежа М10) | Схема по инструкции 2 (размер крепежа М12) | ||
|---|---|---|---|
| Ответвление | Соединение | Ответвление | Соединение |
![]() | ![]() | ![]() | ![]() |
▼ 20. Разборное соединение шин шириной 80 мм (Ш1) и 50 мм (Ш2). (вверх)
| Схема по инструкции 1 (размер крепежа М16) | Схема по инструкции 2 (размер крепежа М12) | ||
|---|---|---|---|
| Ответвление | Соединение | Ответвление | Соединение |
![]() | ![]() | ![]() | ![]() |
▼ 21. Разборное соединение шин шириной 80 мм (Ш1) и 40 мм (Ш2). (вверх)
| Схема по инструкции 1 (размер крепежа М12) | Схема по инструкции 2 (размер крепежа М6) | ||
|---|---|---|---|
| Ответвление | Соединение | Ответвление | Соединение |
![]() | ![]() | ![]() | ![]() |
▼ 22. Разборное соединение шин шириной 80 мм (Ш1) и 30 мм (Ш2). (вверх)
| Схема по инструкции 1 (размер крепежа М10) | Схема по инструкции 2 (размер крепежа М12) | ||
|---|---|---|---|
| Ответвление | Соединение | Ответвление | Соединение |
![]() | ![]() | ![]() | ![]() |
▼ 23. Разборное соединение шин шириной 80 мм (Ш1) и 20 мм (Ш2). (вверх)
| Схема по инструкции 1 (размер крепежа М8) | Схема по инструкции 2 (размер крепежа М10) | ||
|---|---|---|---|
| Ответвление | Соединение | Ответвление | Соединение |
![]() | ![]() | ![]() | ![]() |
▼ 24. Разборное соединение шин шириной 80 мм (Ш1) и 15 мм (Ш2). (вверх)
| Схема по инструкции 1 (размер крепежа М6) | Схема по инструкции 2 (размер крепежа М6) | ||
|---|---|---|---|
| Ответвление | Соединение | Ответвление | Соединение |
![]() | ![]() | ![]() | ![]() |
▼ 25. Разборное соединение шин шириной 60 мм (Ш1 и Ш2). (вверх)
| Схема по инструкции 1 (размер крепежа М10) | Схема по инструкции 2 (размер крепежа М12) | ||
|---|---|---|---|
| Ответвление | Соединение | Ответвление | Соединение |
![]() | ![]() | ![]() | ![]() |
▼ 26. Разборное соединение шин шириной 60 мм (Ш1) и 50 мм (Ш2). (вверх)
| Схема по инструкции 1 (размер крепежа М16) | Схема по инструкции 2 (размер крепежа М12) | ||
|---|---|---|---|
| Ответвление | Соединение | Ответвление | Соединение |
![]() | ![]() | ![]() | ![]() |
▼ 27. Разборное соединение шин шириной 60 мм (Ш1) и 40 мм (Ш2). (вверх)
| Схема по инструкции 1 (размер крепежа М12) | Схема по инструкции 2 (размер крепежа М12) | ||
|---|---|---|---|
| Ответвление | Соединение | Ответвление | Соединение |
![]() | ![]() | ![]() | ![]() |
▼ 28. Разборное соединение шин шириной 60 мм (Ш1) и 30 мм (Ш2). (вверх)
| Схема по инструкции 1 (размер крепежа М10) | Схема по инструкции 2 (размер крепежа М12) | ||
|---|---|---|---|
| Ответвление | Соединение | Ответвление | Соединение |
![]() | ![]() | ![]() | ![]() |
▼ 29. Разборное соединение шин шириной 60 мм (Ш1) и 20 мм (Ш2). (вверх)
| Схема по инструкции 1 (размер крепежа М8) | Схема по инструкции 2 (размер крепежа М10) | ||
|---|---|---|---|
| Ответвление | Соединение | Ответвление | Соединение |
![]() | ![]() | ![]() | ![]() |
▼ 30. Разборное соединение шин шириной 60 мм (Ш1) и 15 мм (Ш2). (вверх)
| Схема по инструкции 1 (размер крепежа М6) | Схема по инструкции 2 (размер крепежа М6) | ||
|---|---|---|---|
| Ответвление | Соединение | Ответвление | Соединение |
![]() | ![]() | ![]() | ![]() |
▼ 31. Разборное соединение шин шириной 50 мм (Ш1 и Ш2). (вверх)
| Схема по инструкции 1 (размер крепежа М16) | Схема по инструкции 2 (размер крепежа М12) | ||
|---|---|---|---|
| Ответвление | Соединение | Ответвление | Соединение |
![]() | ![]() | ![]() | ![]() |
▼ 32. Разборное соединение шин шириной 50 мм (Ш1) и 40 мм (Ш2). (вверх)
| Схема по инструкции 1 (размер крепежа М12) | Схема по инструкции 2 (размер крепежа м10) | ||
|---|---|---|---|
| Ответвление | Соединение | Ответвление | Соединение |
![]() | ![]() | ![]() | ![]() |
▼ 33. Разборное соединение шин шириной 50 мм (Ш1) и 30 мм (Ш2). (вверх)
| Схема по инструкции 1 (размер крепежа М10) | Схема по инструкции 2 (размер крепежа М10) | ||
|---|---|---|---|
| Ответвление | Соединение | Ответвление | Соединение |
![]() | ![]() | ![]() | ![]() |
▼ 34. Разборное соединение шин шириной 50 мм (Ш1) и 20 мм (Ш2). (вверх)
| Схема по инструкции 1 (размер крепежа М8) | Схема по инструкции 2 (размер крепежа М10) | ||
|---|---|---|---|
| Ответвление | Соединение | Ответвление | Соединение |
![]() | ![]() | ![]() | ![]() |
▼ 35. Разборное соединение шин шириной 50 мм (Ш1) и 15 мм (Ш2). (вверх)
| Схема по инструкции 1 (размер крепежа М6) | Схема по инструкции 2 (размер крепежа М6) | ||
|---|---|---|---|
| Ответвление | Соединение | Ответвление | Соединение |
![]() | ![]() | ![]() | ![]() |
▼ 36. Разборное соединение шин шириной 40 мм (Ш1 и Ш2). (вверх)
| Схема по инструкции 1 (размер крепежа М12) | Схема по инструкции 2 (размер крепежа ответв. М10 / соед.М12) | ||
|---|---|---|---|
| Ответвление | Соединение | Ответвление | Соединение |
![]() | ![]() | ![]() | ![]() |
▼ 37. Разборное соединение шин шириной 40 мм (Ш1) и 30 мм (Ш2). (вверх)
| Схема по инструкции 1 (размер крепежа М10) | Схема по инструкции 2 (размер крепежа М12) | ||
|---|---|---|---|
| Ответвление | Соединение | Ответвление | Соединение |
![]() | ![]() | ![]() | ![]() |
▼ 38. Разборное соединение шин шириной 40 мм (Ш1) и 20 мм (Ш2). (вверх)
| Схема по инструкции 1 (размер крепежа М8) | Схема по инструкции 2 (размер крепежа М6) | ||
|---|---|---|---|
| Ответвление | Соединение | Ответвление | Соединение |
![]() | ![]() | ![]() | ![]() |
▼ 39. Разборное соединение шин шириной 40 мм (Ш1) и 15 мм (Ш2). (вверх)
| Схема по инструкции 1 (размер крепежа М6) | Схема по инструкции 2 (размер крепежа М6) | ||
|---|---|---|---|
| Ответвление | Соединение | Ответвление | Соединение |
![]() | ![]() | ![]() | ![]() |
▼ 40. Разборное соединение шин шириной 30 мм (Ш1 и Ш2). (вверх)
| Схема по инструкции 1 (размер крепежа М10) | |
|---|---|
| Ответвление | Соединение |
![]() | ![]() |
▼ 41. Разборное соединение шин шириной 30 мм (Ш1) и 20 мм (Ш2). (вверх)
| Схема по инструкции 1 (размер крепежа М8) | |
|---|---|
| Ответвление | Соединение |
![]() | ![]() |
▼ 42. Разборное соединение шин шириной 30 мм (Ш1) и 15 мм (Ш2). (вверх)
| Схема по инструкции 1 (размер крепежа М6) | |
|---|---|
| Ответвление | Соединение |
![]() | ![]() |
▼ 43. Разборное соединение шин шириной 20 мм (Ш1 и Ш2). (вверх)
| Схема по инструкции 1 (размер крепежа М8) | |
|---|---|
| Ответвление | Соединение |
![]() | ![]() |
▼ 44. Разборное соединение шин шириной 20 мм (Ш1) и 15 мм (Ш2). (вверх)
| Схема по инструкции 1 (размер крепежа М6) | |
|---|---|
| Ответвление | Соединение |
![]() | ![]() |
▼ 45. Разборное соединение шин шириной 15 мм (Ш1 и Ш2). (вверх)














































































































































































