CAN-шина не имеет никакого отношения к автомобильным покрышкам. Дело в том, что в электронике «шиной» называют систему, по которой передаются данные. Это своего рода река с ручейками, если говорить проще. Что касается аббревиатуры, расшифровывающейся как Controller Area Network (сеть контроллеров), то за ней стоит стандарт промышленной сети для объединения в единую сеть различных исполнительных устройств и датчиков.
- Принцип работы CAN-шины
- Виды CAN-шин
- Как передается информация
- Схемы CAN-шины
- Видео «Диагностика авто с помощью CAN шины»
- Разновидности функций шин
- Типы сообщений
- Функциональность системы
- Разрешение конфликтов на шине
- Физические составляющие
- Скорость передачи данных CAN-шины
- Защита интерфейсов USB/CAN
- ESD-сборки общего применения Littelfuse для защиты низковольтных цепей
- Обзор нормативных документов в области устойчивости к статическим разрядам
- Обзор семейств ESD-сборок Littelfuse для низковольтных цепей
- Особенности популярных серий ESD-сборок Littelfuse для низковольтных цепей
- Особенности применения серий ESD-сборок Littelfuse для низковольтных цепей
- Организация защиты интерфейса RS-232
- Организация защиты интерфейса LIN
- Организация защиты устройств, подключенных к шине CAN
- Организация защиты устройств, подключенных к шине RS-485/422
- Организация защиты SIM-контроллера
- Защита клавиатуры и кнопок
- Заключение
- Литература
- SP05: TVS-сборки Littelfuse для защиты от ESD уровня ±30 кВ
Принцип работы CAN-шины
CAN-шина, будучи системой цифровой связи и управления электронными устройствами, позволяет осуществлять обмен информацией между блоками управления. Сеть имеет три основных режима работы – активный при включенном зажигании, спящий при выключенном зажигании и, наконец, режим пробуждения и засыпания, когда зажигание включают и выключают.
CAN-шина выполняет ряд задач, среди которых ускорение передачи сигналов к разным системам, механизмам и устройствам, уменьшение количества проводов, упрощение подсоединения и работы дополнительных устройств.
Виды CAN-шин
Существует три основных вида.
Силовые обеспечивают синхронизацию и обмен данными между ЭБУ двигателя и основными агрегатами и системами автомобиля – коробкой передач, зажиганием и другими. «Комфортные» нужны, соответственно, для работы опций комфорта. Например, климатической системы, электропривода зеркал и обогрева сидений.
Информационно-командные введены для обмена данными между ЭБУ и такими вспомогательными информационными комплексами как навигационная система.
Как передается информация
Итак, CAN-шина представляет собой сеть, по которой происходит обмен информацией между устройствами. Возьмем для примера блок управления двигателем – он имеет не только основной микроконтроллер, но и CAN-устройство, которое формирует и рассылает импульсы по шинам H (CAN-высокий) и L (CAN-низкий), которые называются витая пара.
Сигналы рассылаются по витой паре трансивером или приемопередатчиком. Он нужен для целого ряда задач – усиления сигналов, защиты линии в случае повреждения CAN-шины, создания условий помехозащищенности передаваемых импульсов и регулировки скорости их передачи. В автомобильной промышленности применяются передатчики двух типов с говорящими названиями High Speed и Fault Tolerant. Первый обеспечивает передачу данных на высокой скорости, до 1 мегабита в секунду. Второй не столь быстрый и передает в секунду до 120 килобит в секунду, но при этом допускает отклонение от параметров CAN-шины и не столь чувствителен к ее качеству.
Каждый подключенный к CAN-шине блок имеет определенное входное сопротивление, в результате образуется общая нагрузка шины CAN.
Общее сопротивление нагрузки зависит от числа подключенных к шине электронных блоков управления и исполнительных механизмов.
Рис. 2. Фрагмент CAN-шины с распределением нагрузки в проводах: CAN High CAN Low
Системы и блоки управления автомобиля имеют не только различные нагрузочные сопротивления, но и скорости передачи данных, все это может препятствовать обработке разнотипных сигналов.Для решения данной технической проблемы используется преобразователь для связи между шинами.Такой преобразователь принято называть межсетевым интерфейсом, это устройство в автомобиле чаще всего встроено в конструкцию блока управления, комбинацию приборов, а также может быть выполнено в виде отдельного блока.
Рис. 3. Блок-схема межсетевого интерфейса
Схемы CAN-шины
Такая схема подключения устройств называется параллельной схемой подключения. Для достижения максимальной скорости волновые сопротивления блоков должны согласовываться. Если выходит из строя один из блоков (трансмиттеров), этот блок может «завалить» всю шину.
Все сообщения, которые передаются по шине, имеют определенный цифровой код.
Это позволяет производить компьютерную диагностику при помощи опроса блоков по шине.
Диагностическое устройство преобразует цифровые коды и сигнал в абсолютные значения либо коды ошибок.
В спящем режиме CAN-шина полностью не бездействует. Большинство автомобилей используют шину для организации сбора информации дла системы сигнализации и охраны, собирая информацию по шине о датчиках проникновения, контактных устройствах.
Видео «Диагностика авто с помощью CAN шины»
Разновидности функций шин
Существуют разные типы представленного устройства.
- КАН-шина агрегата силового. Это быстрый канал, который передает послания со скоростью 500 кбит/с. Его главная задача заключается в коммуникации блоков управления, например трансмиссия-двигатель.
- Система «Комфорт» — более медлительный канал, передающий данные со скоростью 100 кбит/с. Он связывает все устройства системы «Комфорт».
- Информационно-командная программа шины также передает сигналы медленно (100 кбит/с). Ее основное предназначение — обеспечить связь между обслуживающими системами, например телефоном и навигацией.
Типы сообщений
Протоколом предусматривается использование при обмене информацией посредством шины CAN четырех типов команд.
- Data Frame. Такой тип сообщений (фреймов) передает сигналы с определенным идентификатором.
- Error Frame представляет собой сообщение сбоя в процессе обмена. Он предлагает повторить действия сначала.
- Overload Frame. Послание появляется в момент необходимости перезапустить работу контроллера.
- Request Frame Remout Transmission обозначает запрос данных, где именно находится идентификатор.
II — резистор сопротивления;
В процессе приема-передачи информации на проведение одной операции отводится определенное время. Если оно вышло, формируется фрейм ошибки. Error Frame также длится определенное количество времени. Неисправный блок автоматически отключается от шины при накоплении большого количества ошибок.
Функциональность системы
Команда состоит из 3 разделов: имени, значения события, времени наблюдения за переменной величиной.
Ключевое значение придается переменной показателя. Если в сообщении нет данных о времени, тогда это сообщение принимается системой по факту его получения.
Когда компьютер коммуникационной системы запрашивает показатель состояния параметра, он посылается в приоритетной очередности.
Разрешение конфликтов на шине
Когда сигналы, поступающие на шину, приходят на несколько контроллеров, система выбирает, в какой очередности будет обработан каждый. Два или более устройства могут начать работу практически одновременно. Чтобы при этом не возник конфликт, производится мониторинг. CAN-шина современного автомобиля производит эту операцию в процессе отправки сообщения.
Существует градация сообщений по приоритетной и рецессивной градации. Информация, имеющая самое низкое числительное выражение поля арбитража, выиграет при наступлении конфликтного положения на шине. Остальные передатчики постараются отослать свои фреймы позже, если ничего не изменится.
В процессе передачи информации время, указанное в нем, не теряется даже при наличии конфликтного положения системы.
Физические составляющие
Устройство шины состоит, помимо кабеля, из нескольких элементов.
Микросхемы приемопередатчика часто встречаются от компании Philips, а также Siliconix, Bosch, Infineon.
Для этого на конец проводников устанавливаются резисторы сопротивления по 120 Ом. Это необходимо, дабы устранить отражения сообщения на конце шины и убедиться, что она получает соответствующие уровни тока.
Сам проводник в зависимости от конструкции может быть экранированным или неэкранированным. Концевое сопротивление может отходить от классического и находиться в диапазоне от 108 до 132 Ом.
Скорость передачи данных CAN-шины
Все составляющие сети CAN должны иметь единую скорость передачи информации. Однако данный стандарт не задает одного определенного параметра, ограничиваясь лишь максимальным пределом – 1Мбит/с. Изменения объема передаваемого кадра должно успеть распространиться по всей длине сети, что ставит в обратную зависимость скорости от протяженности – чем длиннее провод, тем ниже скорость. Для передачи 1Мбита за 1секунду нужная длина должна составлять не менее 40 метров. Добавьте к этому объективные факторы, снижающие скорость – защита от помех и разветвленная сеть, где происходят множественные отражения сигнала.
Читайте также: Как по англ будет шина
В угоду ускорения процесса разработчики уменьшают протяженность проводов, одновременно увеличивая число цепей с возможностью подключения большего количества приборов. Например, общая длина шины, составляющая 10 метров, способна пропускать через себя кадры, со скоростью 2 Мбит/c, с 64 подключенными приборами. Если автомобиль снабжен большим числом электрооборудования, то добавляется одна, две цепи или более.
Защита интерфейсов USB/CAN
Для защиты электрических цепей от импульсного перенапряжения обычно используются такие стандартные решения, как TVS диоды, газовые разрядники, металлооксидные варисторы, TVS-тиристоры (TSPD). Однако такие стандартные компоненты не всегда применимы для решения специализированных задач защиты линий передачи данных.
Компания On Semiconductor предлагает ряд специализированных решений, предназначенных для защиты различных каналов передачи данных, например, для защиты USB и CAN интерфейсов.
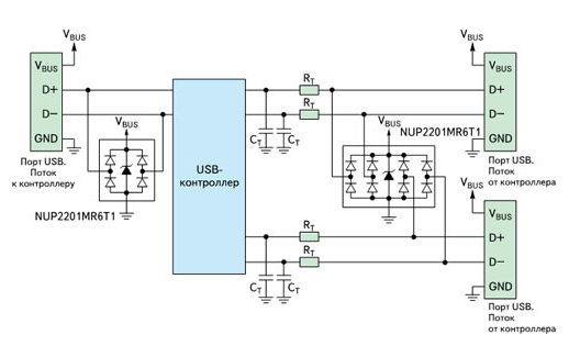
Защита USB интерфейса предъявляет ряд требований к разработчику: с одной стороны, должна быть обеспечена надежная защита линий связи, с другой стороны, сохранена высокая скорость передачи данных. Применение TVS-диодов в этих схемах неэффективно.
Компания On Semiconductor предлагает приборы NUP2201 и NUP4201, которые представляют собой сборку из TVS-диодов с малой емкостью. Эти компоненты беспечивают защиту двух (NUP2201) и четырех (NUP4201) линий связи и шины питания от перенапряжений, вызванных ЭС разрядом или переходными процессами.
Типовая схема применения NUP2201 и NUP4201 для защиты USB интерфейса
Защита CAN интерфейсов передачи данных
CAN интерфейсы также сильно чувствительны к воздействию электростатических разрядов, которые могут повредить или полностью разрушить микросхему видеоинтерфейса. Для решения таких задач On Semiconductor предлагает сборку TVS диодов NUP2105L, которую рекомендуется использовать совместно с дросселем синфазного сигнала. Устройство обеспечивает двунаправленную защиту каждой линии данных в компактном корпусе SOT-23.
— Мощность 350 Вт на линию (8х20мкс)
— Низкий обратный ток течки (менее 100 нА)
— Обратное рабочее напряжение 24 В
— Емкость 30 пФ
— Защита от электростатики:
— HBM 16 кВ
— ММ 400 В
— IEC 61000-4-2 (контакт) 30 кВ
Другие TVS-компоненты защиты CAN интерфейса
ESD-сборки общего применения Littelfuse для защиты низковольтных цепей
Современная электроника способна выдерживать воздействие мощных помех и статических разрядов, однако для этого необходимо предусмотреть соответствующие механизмы защиты. Если говорить о защите от статики, то достичь требуемого уровня надежности реально с помощью простейших TVS-диодов и сборок. Компания Littelfuse предлагает широкий выбор защитных компонентов для самых различных областей, в частности — для низковольтных приложений.
Стоит ли защищать электронику от разрядов и мощных помех? Элементы защиты не расширяют функционал, не дают пользователю каких-то новых функций. Более того, дополнительные компоненты – это дополнительное повышение цены конечного устройства. Не смотря на все это, любой профессиональный разработчик ответит, что электронику защищать нужно в обязательном порядке. Однако, методы защиты зависят от конкретного приложения.
Чтобы защитить светодиодный фонарь от ударов молний, потребуются мощные разрядники или варисторы. Для портативной и бытовой электроники зачастую будет достаточно обеспечить устойчивость к статическим разрядам с помощью TVS-диодов или TVS-сборок (ESD-сборок). Это именно те компоненты, которые позволяют создать базовый уровень защиты.
Класс TVS-диодов и ESD-сборок не однороден, в нем есть свои специализированные группы. Например, компания Littelfuse делит свои сборки на три группы:
- для низкоскоростных интерфейсов и низковольтных цепей;
- для высокоскоростных интерфейсов;
- сборки повышенной мощности для защиты интерфейсов, применяемых на открытом воздухе.
ESD-сборки для низкоскоростных интерфейсов от Littelfuse относятся к первой группе. В настоящее время она включает почти три десятка серий с различными характеристиками для различных приложений.
Отличительными чертами этой группы являются высокая мощность и значительная емкость. Высокая емкость делает их непригодными для защиты высокоскоростных интерфейсов. С другой стороны, для некоторых низковольтных приложений это скорее достоинство, так как емкость сборки представляет собой дополнительный фильтр, сглаживающий импульсы воздействующих помех.
В большинстве случаев ESD-сборки производства компании Littelfuse – это миниатюрные компоненты с бюджетной стоимостью, которые обеспечивают надежную защиту сигнальных линий и линий питания.
Говоря «надежная защита», мы имеем в виду соответствие требованиям нормативных документов, о которых стоит сказать отдельно.
Обзор нормативных документов в области устойчивости к статическим разрядам
Уровень защиты устройств подтверждается при тестировании на соответствие нормативным документам. Среди производителей электронных компонентов наиболее часто применяется MIL-STD-883 и его метод проверки с использованием модели человеческого тела HBM (Human Body Model). Этот документ устанавливает четыре основных уровня устойчивости компонентов к статическим разрядам (±0,5 кВ/0,33 А; ±1 кВ/0,67 А; ±2 кВ/1,33 А; ±4 кВ/2,67 А).
Производители электронного оборудования чаще используют другой стандарт – МЭК 61000-4-2 (в России адаптирован в виде ГОСТ Р 51317.4.2 «Совместимость технических средств электромагнитная. Устойчивость к электростатическим разрядам. Требования и методы испытаний»). Он определяет требования не к отдельным компонентам, а к системе в целом, и использует гораздо более жесткие тестовые воздействия. При исследовании устойчивости к контактному разряду применяются импульсы: ±2 кВ/7,5 А; ±4 кВ/15 А; ±6 кВ/22,5 А; ±8 кВ/30 А. При исследовании воздушного разряда применяются импульсы ±2 кВ, ±4 кВ, ±8 кВ, ±15 кВ. Стандарт допускает использование и более высоких напряжений испытательных импульсов.
Очевидно, что выдерживать такие импульсы под силу далеко не всем электронным компонентам.
Во многих случаях выполнение требований МЭК 61000-4-2 требует наличия дополнительной внешней защиты. Очень часто для этого будет достаточно использования обычных TVS-диодов или ESD-сборок.
Обзор семейств ESD-сборок Littelfuse для низковольтных цепей
Группа ESD-сборок Littelfuse для низкоскоростных интерфейсов включает в себя около трех десятков серий (таблица 1). Они разработаны для использования в различных приложениях, поэтому их характеристики достаточно сильно отличаются:
- число каналов: 1…6;
- однонаправленные и двунаправленные;
- рабочее напряжение: 5…36 В;
- мощность: до 600 Вт;
- рейтинг защиты контактного разряда: ±8…30 кВ по МЭК 61000-4-2;
- входная емкость :от 8 пФ;
- различные корпусные исполнения.
Таблица 1. Серии ESD-сборок Littelfuse для низкоскоростных интерфейсов
| Наименование серии | Число каналов | Полярность | Рабочее напряжение, В | Мощность, Вт | Рейтинг (Contact Discharge, IEC61000-4-2), кВ | Емкость, пФ | Корпус |
| SDxx | 1 | Униполярный | 5, 12, 15, 24, 36 | 450 | ±30 | 50…350 | SOD323 |
| SDxxС | 1 | Биполярный | 5, 12, 15, 24, 36 | 450 | ±30 | 30…200 | SOD323 |
| SMxx | 2 | Униполярный | 5, 12, 15, 24, 36 | 400 | ±30 | 40…350 | SOT23-3 |
| SM24CANA | 2 | Биполярный | 24 | 200 | ±24 | 11 | SOT23-3 |
| SM24CANB | 2 | Биполярный | 24 | 500 | ±30 | 30 | SOT23-3 |
| SM712 | 2 | Биполярный | +7/-12 | 600 | ±30 | 75 | SOT23-3 |
| SP05 | 2/3/4/5/6 | Униполярный | 5,5 | – | ±30 | 30 | SC70, SOT23, SOT143, MSOP |
| SPxx | 1 | Биполярный | 12, 15, 24, 36 | 100 | ±30 | 26 | 0201 (Flipchip) |
| SPHVxx | 1 | Униполярный | 12, 15, 24, 36 | 200 | ±30 | 25…60 | SOD882 |
| SPHVxxC | 1 | Биполярный | 12, 15, 24, 36 | 200 | ±30 | 13…30 | SOD882 |
| SP1001 | 2/4/5 | Униполярный | 5,5 | – | ±15 | 8 | SC70, SOT553, SOT563, SOT963 |
| SP1002 | 1/2 | Биполярный | 6 | – | ±8 | 5 | SC70 |
| SP1003 | 1 | Униполярный | 5 | – | ±30 | 30 | SOD723, SOD882 |
| SP1004 | 4 | Униполярный | 6 | – | ±8 | 5 | SOT953 |
| SP1005 | 1 | Биполярный | 6 | – | ±30 | 30 | 0201 (Flipchip), 0402 (SOD882) |
| SP1006 | 1 | Униполярный | 6 | – | ±30 | 25 | 0201 (µDFN-2) |
| SP1007 | 1 | Биполярный | 6 | – | ±8 | 3,5 | 0201 (Flipchip), 0402 (SOD882) |
| SP1008 | 1 | Биполярный | 6 | – | ±15 | 6 | 0201 (Flipchip) |
| SP1009 | 1 | Биполярный | 6 | – | ±30 | 30 | 0201 (Flipchip) |
| SP1011 | 4 | Униполярный | 6 | – | ±15 | 7 | µDFN-6 |
| SP1012 | 6 | Униполярный | 5 | – | ±15 | 6,5 | 0,94×0,61мм Flip Chip |
| SP1013 | 1 | Биполярный | 5 | – | ±30 | 30 | 0,54×0,29 мм Flipchip |
| SP1014 | 1 | Биполярный | 5 | – | ±12 | 6 | 0,54×0,29 мм Flipchip |
| SP1015 | 5 | Униполярный | 5 | – | ±20 | 5 | 0,95×0,55 мм Flip Chip |
| SP1020 | 1 | Биполярный | 6 | – | ±30 | 20 | 01005 Flipchip |
| SP1021 | 1 | Биполярный | 6 | – | ±12 | 6 | 01005 Flipchip |
| SP1026 | 1 | Биполярный | 6 | – | ±30 | 15 | 0201 (µDFN-2) |
Читайте также: Дефлятор автомат для стравливания давления в шинах
Рассмотрение особенностей каждой из серий потребует значительного времени, по этой причине уделим внимание только наиболее популярным и доступным ESD-сборкам Littelfuse.
Особенности популярных серий ESD-сборок Littelfuse для низковольтных цепей
Рис. 1. Внешний вид и конфигурация ESD-
сборок серии SDxxC
Серия SDxxC – группа двунаправленных ESD-сборок в миниатюрном корпусе SOD323 (рисунок 1). Несмотря на малые габариты, мощность этих компонентов составляет солидные 450 Вт.
Серия включает в себя пять представителей с различными рабочими напряжениями: 5/12/15/24/36 В (таблица 2). Это позволяет использовать их для защиты самых различных приложений: цифровых входов/выходов, аналоговых линий, низкоскоростных интерфейсов. При этом стоит отметить, что эти сборки обеспечивают рейтинг защиты от контактного разряда выше, чем требует МЭК 61000-4-2 при самом жестком воздействии.
Таблица 2. Характеристики ESD-сборок серии SDxxC
| Наименование | Uраб, В | Число каналов | P, Вт | C, пФ | Uогр (ток 1 А) (8/20 µs), В | Iпик (8/20 µs), А | Рейтинг (Contact Discharge, IEC61000-4-2), кВ | Корпус |
| SD05C-01FTG | 5 | 1 | 450 | 200 | 10 | 30 | ±30 | SOD323 |
| SD12C-01FTG | 12 | 100 | 18,5 | 17 | ||||
| SD15C-01FTG | 15 | 75 | 24 | 12 | ||||
| SD24C-01FTG | 24 | 50 | 34 | 7 | ||||
| SD36C-01FTG | 36 | 30 | 50 | 5 |
Серия SP05xx объединяет в себе многоканальные ESD-сборки с рабочим напряжением 5,5 В. Все представители данной серии имеют одинаковую конфигурацию с общим анодом, а корпусное исполнение зависит от числа каналов: двухканальные SC70-3 и SOT23-3, трехканальные SOT143-4, четырехканальные SC70-5 и SOT23-5, пятиканальные SC70-6 и SOT23-6, шестиканальные MSOP-8 (рисунок 2, таблица 3).
Рис. 2. Внешний вид и конфигурация ESD-сборок серии SP05xx
Таблица 3. Характеристики ESD-сборок серии SP05xx
| Наименование | Uраб, В | Число каналов | C, пФ | Uогр (ток 1 мА), В | Рейтинг (Contact Discharge, IEC61000-4-2), кВ | Корпус |
| SP0502BAJTG | 5,5 | 2 | 30 | 8,5 | ±30 | SC70-3 |
| SP0502BAHTG | 2 | SOT23-3 | ||||
| SP0503BAHTG | 3 | SOT143-4 | ||||
| SP0504BAJTG | 4 | SC70-5 | ||||
| SP0504BAHTG | 4 | SOT23-5 | ||||
| SP0505BAHTG | 5 | SOT23-6 | ||||
| SP0505BAJTG | 5 | SC70-6 | ||||
| SP0506BAATG | 6 | MSOP-8 |
Рис. 3. Внешний вид и конфигурация ESD-
сборок для защиты CAN-шины SM24CANAи
SM24CANB
Низкое рабочее напряжение 5,5 В, наличие большого количества каналов, низкая емкость (30 пФ) делают эти сборки универсальным инструментом для защиты цифровых линий и низкоскоростных интерфейсов.
Сборки SM24CANA-02HTG и SM24CANB-02HTG – это специализированные решения для защиты CAN-трансиверов, в том числе – в автомобильных приложениях. Для защиты одного приемопередатчика требуется только одна сборка, так как она в одном корпусе объединяет два двунаправленных TVS-диода (рисунок 3).
Несмотря на миниатюрное корпусное исполнение (SOT23-3), SM24CANA-02HTG и SM24CANB-02HTG отличаются высокими защитными свойствами (таблица 4). SM24CANA-02HTG имеет мощность 200 Вт и выдерживает тестовые импульсы напряжением до ±24 кВ. У SM24CANB-02HTG характеристики еще лучше: мощность до 500 Вт и рейтинг напряжения при контактном разряде ±30 кВ.
Таблица 4. Характеристики ESD-сборок серии SP05xx
Серия SP1001xx – многоканальные ESD-сборки с рабочим напряжением 5,5 В. Важным достоинством представителей данной серии является низкая емкость – всего 8 пФ. Это делает их идеальным выбором для защиты низкоскоростных низковольтных интерфейсов, например RS-485.
В настоящее время серия SP1001xx объединяет в себе сборки с различным числом каналов и корпусным исполнением (рисунок 4, таблица 5): двухканальные SC70-3 и SOT553, четырехканальные SC70-5 и SOT553, пятиканальные SC70-6, SOT563 и SOT963.
Рис. 4. Внешний вид и конфигурация ESD-сборок серии SP1001xx
Таблица 5. Характеристики ESD-сборок серии SP1001xx
Особенности применения серий ESD-сборок Littelfuse для низковольтных цепей
ESD-сборки производства компании Littelfuse можно разделить на три группы: сборки для низковольтных цепей, высокоскоростных интерфейсов и сборки повышенной мощности для защиты интерфейсов, применяемых на открытом воздухе.
Представители каждой из групп разрабатывались с учетом требований той или иной области приложений. Например, высокоскоростные интерфейсы не допускают использование защитных TVS-диодов и сборок с высокой собственной емкостью, которая бы искажала форму сигналов. Группе ESD-сборок для низковольтных цепей в ряде случаев высокая емкость может приносить пользу, выступая как дополнительный фильтр.
В общем случае приложениями для ESD-сборок для низковольтных цепей становятся:
- цифровые цепи: порты ввода/вывода, клавиатуры и так далее;
- аналоговые цепи: входы АЦП, аудио, аналоговое видео и прочие;
- низкоскоростные интерфейсы: CAN, LIN, RS-232, RS-485 и так далее;
- линии питания.
Общие рекомендации по применению представлены в таблице 6.
Таблица 6. Рекомендации Littelfuse по применению ESD-сборок для низковольтных цепей
| Аудио-линии | Порты ввода/вывода | LIN | CAN | RS232 | RS485 | USB 1.1 | ЖК-мониторы | ЖК портатив-ной электро-ники | SIM | Карты памяти | Клавиа-туры | Аналого-вое видео | Пита-ние |
| SDxx | + | + | + | + | + | ||||||||
| SDxxС | + | + | + | + | + | + | |||||||
| SMxx | + | + | + | + | + | ||||||||
| SM24CANA | + | ||||||||||||
| SM24CANB | + | ||||||||||||
| SM712 | + | ||||||||||||
| SP05 | + | + | + | + | + | + | + | + | |||||
| SPxx | + | + | + | + | + | + | + | + | |||||
| SPHVxx | + | + | + | + | + | + | + | + | + | + | |||
| SPHVxxC | + | + | + | + | + | + | + | + | + | + | |||
| SP1001 | + | + | + | + | + | + | + | + | + | + | |||
| SP1002 | + | + | + | ||||||||||
| SP1003 | + | + | + | + | + | + | |||||||
| SP1004 | + | + | + | + | + | + | + | ||||||
| SP1005 | + | + | + | + | + | ||||||||
| SP1006 | + | + | + | + | + | ||||||||
| SP1007 | + | + | + | + | |||||||||
| SP1008 | + | + | + | + | |||||||||
| SP1009 | + | + | + | ||||||||||
| SP1011 | + | + | + | + | + | + | + | + | |||||
| SP1012 | + | + | + | ||||||||||
| SP1013 | + | + | + | ||||||||||
| SP1014 | + | + | + | ||||||||||
| SP1015 | + | + | + | ||||||||||
| SP1020 | + | + | + | + | |||||||||
| SP1021 | + | + | + | ||||||||||
| SP1026 | + | + |
Рассмотрим в качестве примера организацию защиты наиболее популярных интерфейсов и приложений.
Организация защиты интерфейса RS-232
Этот интерфейс является достаточно гибким и может быть реализован различными способами. В классическом полном варианте он представляет собой шестипроводную шину с частотой передачи данных до 20 кбайт/с и биполярным уровнем сигналов с диапазоном до ±24 В. Однако в большинстве случаев используются уровни сигналов ±12 В. Существуют также и однополярные реализации с напряжениями 0…3,3 и 0…5 В.
В зависимости от уровней сигналов конкретной реализации выбираются и защитные диоды или сборки.
Если для RS-232 используются биполярные сигналы, то идеальным способом защиты станут двунаправленные ESD-сборки серии SDxxC. К примеру, если уровень сигналов составляет ±24 В, то стоит остановить свой выбор на SD24C-01FTG. Если используются сигналы ±12 В, то логично применять SD12C-01FTG (рисунок 5).
При однополярной реализации RS-232 удобно для защиты использовать многоканальные сборки SP05xx. Например, для шестипроводной шины потребуется три SP0502BAHTG (рисунок 5).
Рис. 5. Использование ESD-сборки SP0502BAHTG для защиты RS-232
Организация защиты интерфейса LIN
Рис. 6. Использование SD24C-01FT G для защиты устройства, подключенного к LIN-шине
Интерфейс LIN (Local Interconnect Network) изначально разрабатывался для создания дешевого и простого способа обмена данными между интеллектуальными блоками автомобиля. LIN до сих пор широко распространен, несмотря на наличие таких более скоростных шин, как CAN.
C физической точки зрения LIN представляет собой однопроводную сеть с одним мастером и несколькими ведомыми устройствами. Уровень сигналов LIN определяется напряжением бортовой сети автомобиля. То есть штатное пиковое значение для легковой машины будет лежать в диапазоне 9…15 В.
Таким образом, для защиты устройства, подключенного к шине LIN, будет достаточно одного мощного TVS-диода или сборки. В данном случае идеальным решением будет выбор компактной двунаправленной сборки SD24C-01FTG (рисунок 6).
Организация защиты устройств, подключенных к шине CAN
Изначально сетевой протокол CAN разрабатывался для использования в автомобильных приложениях. Однако он оказался столь удачным, что сейчас применяется и в промышленности, и в военной сфере, и в приборостроении.
Чаще всего CAN реализуется в виде двухпроводной шины, к которой подключаются узлы сети. Уровень сигналов может быть различным, но обычно используют диапазон 0…5 В с защитой от выбросов более 24 В.
Для защиты устройств, подключенных к шине CAN, можно использовать специализированные ESD-сборки, такие как SM24CANA-02HTG или SM24CANB-02HTG. При этом получается весьма малогабаритное решение, так как обе сборки объединяют в одном корпусе по два двунаправленных TVS-диода (рисунок 7). Рабочее напряжение для SM24CANA-02HTG и SM24CANB-02HTG составляет 24 В.
Защита может быть организована и с помощью пары более мощных одноканальных TVS-диодов, например SD36C-01FTG (рисунок 7).
Рис. 7. Использование SD36C-01FT G для защиты устройства, подключенного к CAN-шине
Организация защиты устройств, подключенных к шине RS-485/422
Рис. 8. Использование SP1001-02JTG для защиты устройства, подключенного к шине RS-485
Интерфейс RS-485 является одним из наиболее популярных из-за простоты реализации. Он применяется в самых различных областях электроники. Для создания такого канала потребуется всего лишь приемопередатчик и один UART, который присутствует в составе практически любого контроллера.
Наиболее часто RS-485/422 реализуется в виде дифференциальной двухпроводной шины, к которой подключаются приемопередатчики. Для полнодуплексной передачи необходима четырехпроводная шина (два дифференциальных канала).
Для передачи данных, как правило, используются сигналы с диапазоном 0…6 В, но большинство приемопередатчиков имеет встроенную защиту от напряжений +7/-12 В или даже выше.
Для дополнительной защиты приемопередатчика с однополярным питанием от статических разрядов можно использовать многоканальные ESD-сборки SP1001. Например, для защиты стандартной полудуплексной шины подойдет двухканальная сборка SP1001-02JTG в миниатюрном корпусе SC70 (рисунок 8).
Организация защиты SIM-контроллера
Интерфейс с SIM-контроллером организуется с помощью трех сигнальных линий. При этом используется стандартный логический уровень сигналов.
Для создания наиболее компактного и бюджетного решения следует использовать многоканальные сборки. В данном случае удобны в применении SP1001-04JTG или SP0503BAHTG (рисунок 9).
Защита клавиатуры и кнопок
Опрос кнопок происходит с помощью портов ввода-вывода контроллера, поэтому уровень используемых сигналов соответствует напряжению логики.
Если требуется защитить индивидуальные кнопки – логично использовать одноканальные TVS, например, SD05C-01FTG.
Для защиты нескольких кнопок или клавиатур лучше использовать многоканальные сборки. Например, для пятиканальных клавиатур идеально подойдут SP1001-05JTG и SP0505BAHTG (рисунок 10).
![]() | ![]() |
| Рис. 9. Использование SP0503BAHTG для защиты SIM-контроллера | Рис. 10. Использование SP1001-05JTG и SP0505BAHTG для защиты клавиатуры |
Заключение
При создании электронных устройств важно обеспечить их защиту от помех и статических разрядов. Очень часто эта задача решается за счет использования недорогих и малогабаритных ESD-сборок. Компания Littelfuse представляет сборки TVS-диодов трех групп: сборки для низковольтных цепей, сборки для высокоскоростных интерфейсов и сборки повышенной мощности.
Сборки для низковольтных приложений производства компании Littelfuse позволяют обеспечить защиту электроники в соответствии с самыми жесткими требованиями МЭК 61000-4-2. При этом они отличаются разнообразием конфигураций и корпусных исполнений.
Благодаря своей универсальности сборки этой группы способны защищать цифровые порты ввода/вывода, аналоговые цепи и низкочастотные интерфейсы RS-232, LIN, CAN, RS-485/422.
Литература
- TVS Diode Array. Transient Voltage Suppression SPA® Diode. PRODUCT CATALOG & DESIGN GUIDE. 2013, Littelfuse.
- ESD Protection Products Brochure. 2012, Littelfuse.
- ESD Suppression Protection Design Guide. 2009, Littelfuse.
- http://www.littelfuse.com/.
SP05: TVS-сборки Littelfuse для защиты от ESD уровня ±30 кВ
Кремниевые защитные сборки SPA® (Silicon Protection Array) производства компании Littelfuse представляют собой интегрированную структуру на основе нескольких TVS-диодов в одном корпусе. Данные сборки предназначены для защиты электроники от очень быстрых и высоковольтных разрядов с крутым фронтом, вызванных последствиями молний или электростатических разрядов (ESD). Они представляют собой идеальное решение для защиты чувствительных линий интерфейсов, цифровых и аналоговых сигналов уровня 5 В в промышленной и потребительской электронике. Серия сборок SP05 семейства SPA® представляет собой 2-, 3-, 4-, 5 и 6-канальные матрицы TVS-диодов, выполненные в миниатюрных SMD-корпусах SOT23 3, SC70 3, SOT143 4, SOT23 5, SC70 5, SOT23 6, SC70 6 и MSOP 8. Данные сборки предназначены для защиты от ESD уровня ±30 кВ и обеспечивают соответствие требованиям следующих стандартов:
• IEC 61000-4-2, контактный разряд до30 кВ (уровень 4);
• IEC 61000-4-2, воздушный разряд до 30 кВ (уровень 4);
• MIL STD 8833015.7 до 30 кВ
Входная емкость сборок SP05 не превышает 30 пФ, что позволяет относить их к классу низкоемкоcтных защитных компонентов. Основное применение данной серии – это защита низковольтных интерфейсов I/O, аналоговых аудио- и видеосигналов, линий USB 1.1, интерфейсов карт памяти и SIM, LCD-дисплеев, а также кнопочных и клавиатурных шин. Рабочее напряжение на каждой из защищаемых линий рассчитано на уровень 5 В. Из отличительных особенностей серии SP05 можно выделить малые значения токов утечки (
- Свежие записи
- Нужно ли менять пружины при замене амортизаторов
- Скрипят амортизаторы на машине что делать
- Из чего состоит стойка амортизатора передняя
- Чем стянуть пружину амортизатора без стяжек
- Для чего нужны амортизаторы в автомобиле
- Правообладателям
- Политика конфиденциальности























